ZeePedia
Digital Logic Design
img
CS302 - Digital Logic & Design
Lesson No. 45
SUCCESSIVE ­APPROXIMATION ANALOGUE TO DIGITAL CONVERTER
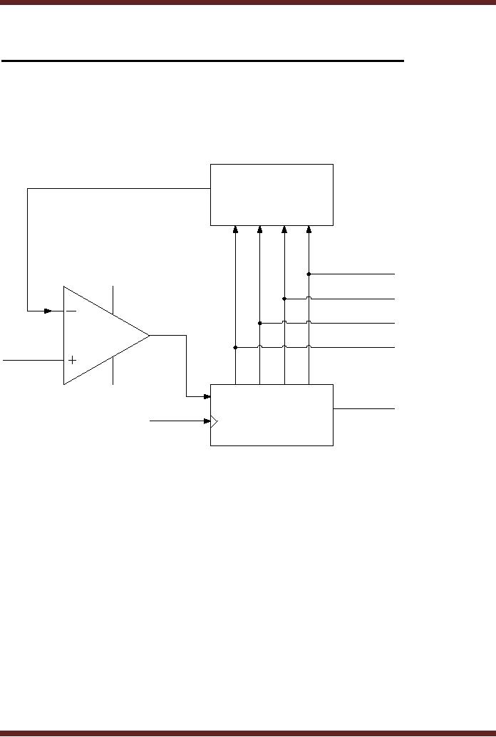
The most commonly used A/D for converting analogue values to corresponding binary
values is the Successive-Approximation A/D converter. It has a fixed conversion time and is
faster than the Dual-Slope A/D converter. The Successive-Approximation converter is however
slower than the Flash converter. The main components of a Successive-Approximation A/D
Converter are the Successive Approximation Register (SAR), a Digital to Analogue Converter
and a Comparator. Figure 45.1.
Vout
Digital-to-Analogue
Converter
D0
Parallel
Binary
Output
D3
Input
Signal
D
Comparator
SAR
Serial
CLK
Binary
Output
Figure 45.1  Successive-Approximation 4-bit A/D Converter
The analogue signal sample which is to be converted into its corresponding binary
value is applied at the non-inverted input of the Comparator. Initially, the most-significant bit D3
is set to logic 1 by the Successive Approximation Register (SAR). The Digital-to-Analogue
converter converts the binary input digit 1000 to it equivalent analogue value. The output
analogue value is connected to the inverted input of the comparator. If the applied Input signal
is larger than the signal generated by the D/A converter the output of the comparator is logic 1
which sets the most significant bit D3 of the SAR to logic 1. The next most significant bit is set
to 1 and the new binary number 1100 is applied at the input of the D/A converter. The
analogue output is applied at the comparator input which generates logic 1 or 0 depending
upon the magnitude of the two signals applied at the inputs of the comparator. Depending
upon logic 0 or 1 produced at the output of the comparator, the SAR sets or resets the next
most significant digit. This procedure is repeated for all the binary digits.
Assuming an analogue signal of 5.2 volts applied at the input of the 4-bit A/D converter.
Initially, the SAR sets its 4 bits to 1000, which is converted to 8 volts by the D/A converter.
Since the applied signal (5.2 V) is less than 8 V signal, therefore the SAR resets the most
significant bit and sets the next most significant bit 0100. The D/A converts the 4 bit number to
4 volts which is less than the input signal (5.2 V). The SAR retains the original bit and sets the
453
img
CS302 - Digital Logic & Design
next most significant bit. (0110). The 4-bit number is converted into an analogue value of 6
volts by the D/A converter. Since the analogue value is greater than the input signal therefore
the SAR resets the bit and sets the least significant bit to 1 (0101). The number is converted
into an analogue value by the D/A converter. The converted value (5 V) is less than the input
signal, therefore the four bits are retained (0101). Since the Successive-Approximation A/D
converter is a 4-bit converter therefore the 0101 represents the final value at the end of the
conversion process. Table 45.1. The duration of the conversion depend upon the quantization
level, a 6-bit converter completes its conversion in 6 time periods.
Vin
SAR
D/A output
Comparator
output
output
5.2
1000
8
0
5.2
0100
4
1
5.2
0110
6
0
5.2
0101
5
1
Table 45.1
Successive-Approximation D/A Conversion
Analogue-to-Digital Converter Errors
Analogue to Digital converters exhibit three different types of errors during their
conversion operation. The three errors encountered during the conversion operation are the
Missing Code, Incorrect Code and the Offset error. The three errors are represented through
graphs. Figure 45.2. A test signal which is an ideal linear ramp is assumed for testing for the
three errors.
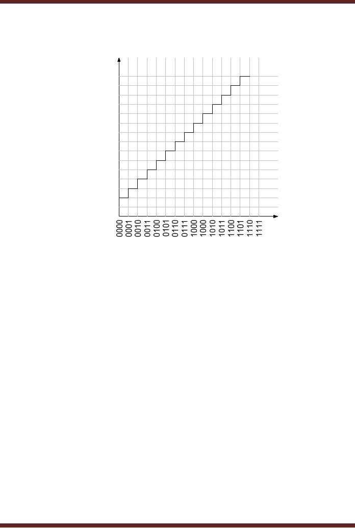
1. Missing Code
In the graph illustrated to highlight the missing code `1001' a linearly increasing
analogue voltage is applied at the input of an A/D converter and the binary output is plotted.
Ideally, a staircase output should be obtained showing the linearly increasing binary values.
Figure 45.2a. The graph shows a missing binary code 1001, represented instead by 1000. The
missing code in the case of a Flash converter is due to the failure of a comparator which fails
to provide an appropriate input to the Priority Encoder. The Priority Encoder therefore outputs
the same code for analogue values 8 and 9.
2. Incorrect Code
Incorrect Code at the output of the A/D converter is due to a particular bit stuck at
some fixed logic value. In the graph illustrating an example of Incorrect Code, the bit next to
the least significant is permanently stuck at logic 0. Therefore, for analogue values 2, 3, 6, 7,
10, 11, 14 and 15 the binary output is 0, 1, 4, 5, 8, 9, 12 and 13 respectively. Figure 45.2b.
454
img
CS302 - Digital Logic & Design
Figure 45.2a Missing Code `1001'
15
14
13
12
11
10
9
8
7
6
5
4
3
2
1
0
Figure 45.2b
Incorrect Code
3. Offset Error
The offset error occurs when the binary output of the A/D converter represents a value
which is greater than the actual analogue input signal value. The error is due to a fault in the
comparator circuit. The offset error can be compensated by adjusting the output with respect
to the amount of offset error. The missing and incorrect code however can not be
455
img
CS302 - Digital Logic & Design
compensated. Figure 45.2c. The diagram illustrates an offset error of 2 volts, as the
corresponding output value for each analogue input exceeds by 2 volts.
15
14
13
12
11
10
9
8
7
6
5
4
3
2
1
0
Figure 45.2c Offset Error
Digital to Analogue Conversion
Digital binary signals are converted into analogue signals using Digital to Analogue
Converters. Generally two types of D/A Converters are used, the Binary-Weighted-Input D/A
Converter and R/2R Ladder D/A Converter.
Binary-Weighted-Input Digital to Analogue Converter
The Binary-Weighted-Input D/A converter is based on a summer circuit which sums the
input currents based on the binary input and represents it as a voltage output. In the Binary-
Weighted-Input Method a resistor network is used with resistor values representing the binary
weights of the input bits of the digital code. The binary (digital input) is applied at the resistor
inputs. A current will flow through the resistor if the input voltage applied is logic high. No
current flows through a resistor if the input voltage applied is logic low. The magnitude of the
current flowing through each resistor depends upon the value of the resistor. The total current
flowing through each resistor adds up and flows through the feedback resistor Rf which is
connected between the output and the inverting input of the Op-Amp. The output voltage of
the Op-Amp is determined by the voltage drop across the Rf resistance. Figure 45.3.
For a D/A converter with weighted resistors 8K, 4K, 2K and 1K respectively and the
feedback resistor of 2K ohms. The output voltages for binary inputs 0000 to 1111 are shown.
Table 45.2.
456
img
CS302 - Digital Logic & Design
Rf
8R
V
bit 0
4R
V
bit 1
Vout
2R
V
bit 2
R
V
bit 3
Figure 45.3
A 4-bit Binary-Weighted-Input D/A Converter
Input
Current through (mA)
Vout
(volts)
R
2R
4R
8R
Rf
0000
0
0
0
0
0
0
0001
0
0
0
0.62
0.625
-1
5
0010
0
0
1.25  0
1.25
-2
0011
0
0
1.25  0.62
1.875
-3
5
0100
0
2.5
0
0
2.5
-4
0101
0
2.5
0
0.62
3.125
-5
5
0110
0
2.5
1.25  0
3.75
-6
0111
0
2.5
1.25  0.62
4.375
-7
5
1000
5
0
0
0
5.0
-8
1001
5
0
0
0.62
5.625
-9
5
1010
5
0
1.25  0
6.25
-10
1011
5
0
1.25  0.62
6.875
-11
5
1100
5
2.5
0
0
7.5
-12
1101
5
2.5
0
0.62
8.125
-13
5
1110
5
2.5
1.25  0
8.75
-14
1111
5
2.5
1.25  0.62
9.375
-15
5
Table 45.2
D/A Output voltages for binary inputs 0000 to 1111
457
img
CS302 - Digital Logic & Design
The disadvantage of the converter is the resistors having weighted values that are
required to implement the converter. An 8-bit converter requires eight weighted resistors which
have exact values otherwise the output of the converter is not accurate. Resistors which have
values which are exact multiples of each other are difficult to implement therefore these D/A
converter are not used for applications where multiple bit binary numbers are to be converted
into corresponding analogue values.
The R/2R Ladder Digital to Analogue Converter
The R/2R D/A Converter derives its name from the resistor network having values R
and 2R. This converter also overcomes the problem of having multiple resistors having
weighted values. The circuit diagram of the R/2R converter is shown. Figure 45.4.
Figure 43.2
R/2R Ladder D/A Converter
Depending upon the binary input, the R/2R resistor network simplifies to an equivalent
network which determines the total current flowing through the feedback resistance Rf. For
example, when 0001 binary is applied the R/2R circuit simplifies to the circuit shown. Figure
45.5a. Simplifying the circuit further reduces it to the Thevenin's equivalent circuit. Figure
43.5b. The current flowing through the feedback resistance Rf is defined by the equation
0.625V
I=
2R
The output voltage Vout is represented by the voltage drop across Rf. Table 45.3 gives
a summary of the total current and the output voltage for each of the 16 combinations of 4-bit
binary input.
458
img
CS302 - Digital Logic & Design
Figure 45.5a The R/2R resistor network with binary 0001
Rf
2R
RTh
R8
+0.625V
R
R
Vout
2R
R7
Figure 45.3b The equivalent R/2R resistor network with binary 0001
Input
Vth (volts)
Current through Rf
Vout
0000
0
0
0
0001
0.625V
0.625V/2R
-0.625V
0010
1.25V
1.25V/2R
-1.25V
0011
1.875V
1.875V/2R
-1.875V
0100
2.5V
2.5V/2R
-2.5V
0101
3.125V
3.125V/2R
-3.125V
0110
3.75V
3.75V/2R
-3.75V
0111
4.325V
4.325V/2R
-4.325V
1000
5V
5V/2R
-5V
1001
5.625V
5.625V/2R
-5.625V
1010
6.25V
6.25V/2R
-6.25V
1011
6.875V
6.875V/2R
-6.875V
1100
7.5V
7.5V/2R
-7.5V
1101
8.125V
8.125V/2R
-8.125V
1110
8.75V
8.75V/2R
-8.75V
1111
9.325V
9.325V/2R
-9.325V
Table 45.3
D/A Output voltages for binary inputs 0000 to 1111
Performance characteristics of Digital-to-Analogue Converters
Performance characteristics of D/A converters are determined by five parameters.
459
img
CS302 - Digital Logic & Design
1. Resolution
Resolution is defined as the number of bits that are converted. It is also defined as a
reciprocal of the number of discrete steps in the output represented as percentage. The
resolution of a 4-bit D/A converter is therefore represented as (1/15) 100 = 6.67%. An 8-bit D/A
converter has a resolution of (1/63) 100 = 1.59%.
2. Accuracy
Accuracy of a D/A converter is determined by comparing the actual output of a D/A
converter with the expected output. It is expressed as a percentage of the full-scale or
maximum output voltage. If for example, the accuracy is ±0.1 %, for a D/A converter which has
a maximum output of 20 volts, the maximum error for any output voltage is (20)(0.001) = 20
mV. Ideally, the accuracy should not be worse than ±1/2 of the least significant bit. For an 8-bit
D/A converter, the least significant bit is 0.39% of the full-scale. The accuracy should be one-
half of 0.39%, that is ±0.195%. In terms of voltage, consider that the full-scale output of the 8-
bit D/A converter is 64 volts. The maximum error that is allowed is (64)(0.00195) = 0.1248
volts = 125 mV. Each discrete step of the D/A converter is equal to 0.25 volts = 250 mV.
Assuming that 00000001 is applied at the input of the D/A converter, the exact analogue
output should be 250 mV. If there is an error in the output voltage then the acceptable range of
voltages representing 00000001 are from 125 mV to 375 mV. A voltage output which is less
than 125 mV represents the binary value 00000000 and a voltage output which exceeds 375
mV represents the binary value 00000010. Thus the error should be within ±1/2% of the least
significant bit.
3. Linearity
The output of the D/A converter should be a straight line when the binary input is varied
between its minimum and maximum values. An offset error is determined by the output voltage
when the binary input bits are all set to logic 0.
4. Monotonicity
The output of the D/A converter should give an increasing analogue voltage output
when the binary input is varied between its minimum and maximum values. However, if the
D/A converter outputs a lower voltage than its preceding output voltage the converter is said to
exhibit non-monotonic behavior.
5. Settling Time
Ideally, the D/A converter should immediately result in an analogue output
corresponding to the input binary value. A D/A converter however takes a finite amount of time
to output an analogue value corresponding to the binary input. The settling time of a D/A
converter is defined as the time the D/A converter takes to settle within ±1/2 least significant
bit of its final value when a change occurs in the input. Assume that the input to an 8-bit D/A
converter is 00000101 which is represented by 1.250 Volts. The binary input changes to
00000001 which is represented by 250 mV. The output of the D/A converter changes form
1.250 volts to 375 mV (±1/2 least significant bit of the final value 250 mV) in 20 msec. Thus the
settling time of the D/A converter is 20 msec.
460