ZeePedia
Digital Logic Design
img
CS302 - Digital Logic & Design
Lesson No. 38
EQUATION DEFINITION
The Equation definition for the Traffic Controller defines the TRSTATE variable
dependent upon the clock transition. The Timer is reset when the state is either NSY2 or
Equations
TRSTATE.CLK = clk;
TMRST := (TRSTATE = = NSY2) # (TRSTATE = = EWY2);
EWY2. Table 38.1.
Table 38.1
Equation definition for the Traffic Light Controller
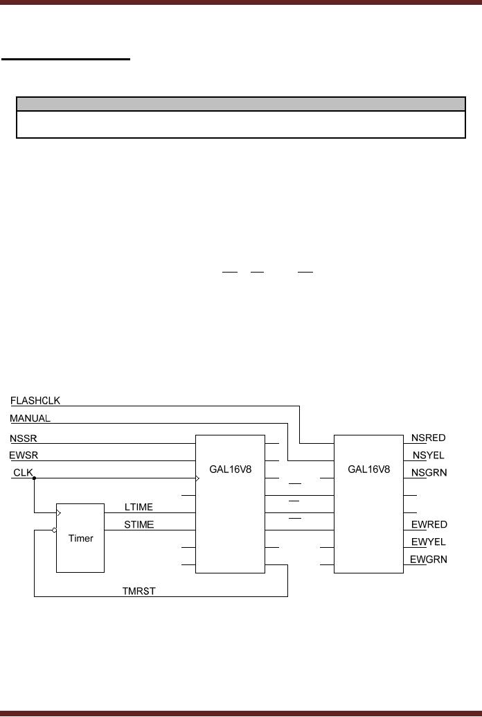
The circuit diagram of the Timer connected to the GAL16V8 based Traffic Light
Controller is shown. Figure 38.1. The first GAL16V8 is connected to the external inputs NSSR,
EWSR and the CLK signal. It is also connected to the two Timer signals LTIME and STIME
which determine the Green cycle time of the controller during the day and night respectively.
The output of the controller is the TMRST which resets the Timer when the Controller is in
state NSY2 or EWY2. The state outputs Q0 , Q1 and Q2 are the inverted state outputs,
which determine the current state and are also connected to the input of the second GAL16V8
which is programmed for a combinational circuit to turn on/off the North-South and East-West
road section traffic signal lights NSRED, NSYEL, NSGRN, EWRED, EWYEL and EWGRN.
The chip is also connected to the MANUAL and FLASHCLK inputs. The MANUAL input when
activated puts the traffic signal in the Manual Mode where the Yellow signal on the North-
South and the East-West road section repeatedly flashes. The flash rate is determined by the
FLASHCLK signal.
Q0
Q1
Q2
Figure 38.1
The circuit diagram of the Traffic Light Controller
Switching of Traffic Lights
The main definitions and declaration of the ABEL Input file for turning on/off the traffic
lights is given. Table 38.2. The Pin Declarations are defined in Table 38.2a. The MANUAL
input signal when activated switches the traffic signal to the manula mode and flashes the
385
img
CS302 - Digital Logic & Design
Yellow lamps. The flash rate is determined by the frequency of the input signal connected at
the FLASHCLK input pin. The appropriate lamp is turned on/off on the basis of the Traffic
Controller States which are determined by the Q0 , Q1 and Q2 inputs. The outputs NSRED,
NSYEL, NSGRN, EWRED, EWYEL and EWGRN represent the outputs that are connected to
the traffic signal lamps.
Pin Declarations
FLASHCLK, MANUAL
pin 1, 2;
!Q0, !Q1, !Q2
pin 4, 5, 6;
NSRED, NSYEL, NSGRN
pin 19, 18, 17;
EWRED, EWYEL, EWGRN
pin 14, 13, 12;
Table 38.2a
Pin declarations for the turning on/off traffic lamps
The Red, Yellow and Green signals that are turned on/off at different states are shown.
Table 38.2b. The equations defining the six outputs that turn on the Red, Yellow and Green
signals on the North-South and the East-West road section are defined. Table 38.2c. When
the MANUAL signal is set the NSYEL and EWYEL outputs are set to logic high and low
depending upon the input signal FLASHCLK.
State
NSGRN
NSYEL
NSRED
EWGRN
EWYEL
EWRED
NSG
on
off
off
off
off
on
NSY
off
on
off
off
off
on
NSY2
off
on
off
off
off
on
NSR
off
off
on
off
off
on
EWG
off
off
on
on
off
off
EWY
off
off
on
off
on
off
EWY2
off
off
on
off
on
off
EWR
off
off
on
off
off
on
Table 38.2b
Switching of traffic lamps at different states
Equations
NSRED = !MANUAL & (TRSTATE !=NSG) & (TRSTATE != NSY)
& (TRSTATE != NSY2);
NSYEL = !MANUAL & ((TRSTATE = = NSY) # (TRSTATE = = NSY2))
# MANUAL & FLASHCLK;
NSGRN = !MANUAL & (TRSTATE = = NSG);
EWRED = !MANUAL & (TRSTATE !=EWG) & (TRSTATE != EWY)
& (TRSTATE != EWY2);
EWYEL = !MANUAL & ((TRSTATE = = EWY) # (TRSTATE = = EWY2))
# MANUAL & FLASHCLK;
EWGRN = !MANUAL & (TRSTATE = = EWG);
Table 38.2c
Equation definition for the turning on/off traffic lamps
386
img
CS302 - Digital Logic & Design
Analysis of Clocked Synchronous State Machines
Analysis of Clocked Synchronous State Machine is opposite to the Design and
Implementation procedure studied. In the analysis procedure an implemented State Machine
is described in terms of a state table or a state diagram which specifies all the next states
outputs for all possibilities of the current state and input. The analysis of a clocked
Synchronous state machine has three basic steps.
·  Determine the next-state output functions F and G
o  Next State = F(Current State, Input)
o  Output = G(Current State, Input)
·  Use the functions F and G to construct a state/output table
·  Draw a State diagram that represents the information in graphical form
The functional behaviour of a flip-flop or a latch is described by a characteristic
equation that is a function of its current state and inputs. The characteristic equation does not
take into account the exact timing behaviour; it simply describes the functional response.
These characteristic equations can be derived from the excitation tables discussed earlier. The
excitation table for an S-R latch is shown. Table 38.3. The information in the table is mapped
to a three-variable Karnaugh map to derive the Characteristic equation. Figure 38.2.
Flip-flop Inputs
Output Transitions
S
R
Qt
Qt+1
0
x
0
0
1
0
0
1
0
1
1
0
x
0
1
1
Table 38.3
S-R flip-flop Transition table
SR/Qt
0
1
00
0
1
Q  t+1 = S + RQ  t
01
0
0
11
x
x
10
1
1
Figure 38.2
Characteristic Equation for S-R Latch
The characteristic equations for other flip-flops and latches can be derived similarly.
Characteristic equations for some of the flip-flops or latches discussed so far are listed in table
38.4.
Device Type
Characteristic Equation
S-R Latch
Q  t+1 = S + RQ  t
D Latch
Q  t+1 = D
Edge-triggered D flip-flop
Q  t+1 = D
J-K flip-flop
Q  t+1 = JQ  t + KQ  t
Table 38.4
Characteristic equations of Latches and Flip-flops
387
img
CS302 - Digital Logic & Design
Two examples of Synchronous State machines are described.
State Machine Analysis Example1:
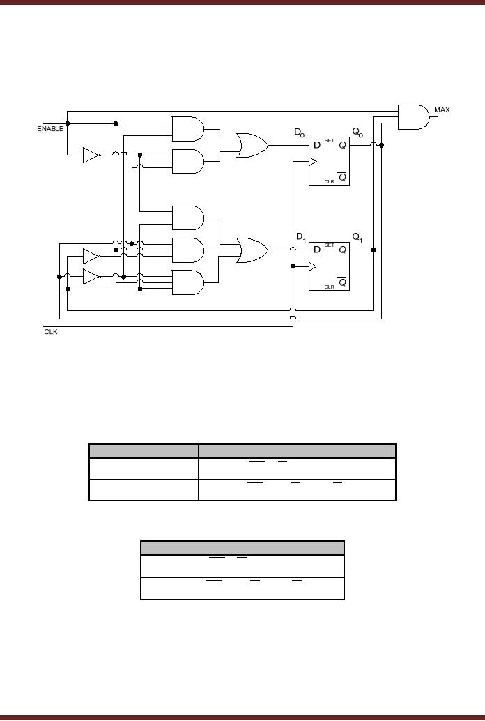
A State Machine with two positive-edge triggered D flip-flops is shown. Figure 38.3.
Figure 38.3
Clocked Synchronous State Machine based on D flip-flops
The two flip-flops transfer their D input values to their respective outputs, based on the
Characteristic equation for the D-flip-flop. The excitation inputs to the two D flip-flops are
determined by the combinational circuit shown. The two excitation equations for D0 and D1
inputs are given. Table 38.5. The two Transition equations for the inputs D0 and D1 are given.
Table 38.6.
D Flip-flop Inputs
Excitation Inputs
D0
D = Q EN + Q EN
0
0
0
D1
D1 = Q1EN + Q  0 Q1EN + Q  0Q1EN
Table 38.5
Excitation Equations for D flip-flop inputs D0 and D1
Transition Equations
Q  0( t+1) = Q  0 EN + Q  0EN
Q1( t+1) = Q1EN + Q  0 Q1EN + Q  0Q1EN
Table 38.6
Transition Equations for D flip-flops
In the State Machine, two D flip-flops are used and the outputs Q0 and Q1 represent the state
variables. Two State variables allow a maximum of four states. From the Transition equations
a transition table can be prepared. The Transition Table is shown. Table 38.7.
388
img
CS302 - Digital Logic & Design
Present
Next State
Next State
State
ENABLE=0
ENABLE=1
Q1
Q0
Q1
Q0
Q1
Q0
0
0
0
0
0
1
0
1
0
1
1
0
1
0
1
0
1
1
1
1
1
1
0
0
Table 38.7
Transition Table for D flip-flop based State Machine
The Transition table is very similar to the State table. The state table can be derived from the
Transition table by assigning State Names to each State and including the output of the State
Machine. The output of the State Machine is determined by the Output Equation
MAX = Q  0Q1EN
The State Table for a Mealy Machine is given. Table 38.8. The Transition Table represents the
function of the Mealy State Machine which is a 2-bit Counter. The Counter doesn't count when
the input ENABLE=0 and increments when input ENABLE=1. The output MAX of the State
Machine is dependent upon the current state and the Input ENABLE. The State Diagrams for
the Mealy State machine derived from the State Table is shown. Figure 38.4.
Present
Next State
Next State
Output MAX
Output MAX
State
ENABLE=0
ENABLE=1
ENABLE=0
ENABLE=1
A
A
B
0
0
B
B
C
0
0
C
C
D
0
0
D
D
A
0
1
Table 38.8
State table of a Mealy Machine
389
img
CS302 - Digital Logic & Design
Figure 38.4
State Diagram of a Mealy Machine
In the circuit diagram of the State machine if the output was independent of the external input
and only dependent upon the current state of the flip-flops, then the resulting machine is a
Moore Machine with a simplified State Table. Table 38.9 and State diagram. Figure 38.5.
Present
Next State
Next State
Output MAX
State
ENABLE=0
ENABLE=1
A
A
B
0
B
B
C
0
C
C
D
0
D
D
A
1
Table 38.9
State table of a Moore Machine
390
img
CS302 - Digital Logic & Design
Figure 38.5
State Diagram of a Moore Machine
State Machine Analysis Example2:
A State Machine with two edge triggered J-K flip-flops is shown. Figure 38.6
Figure 38.6
Clocked Synchronous State Machine based on J-K flip-flops
The two flip-flops Set/Reset their respective Q outputs based on the J-K input defined by the
Characteristic equation for the J-K-flip-flop. The excitation inputs to the two J-K flip-flops are
determined by the combinational circuit shown. The two sets of excitation equations for J0 K0
and J1 K1 inputs are given. Table 38.10. The Transition equations for the inputs J0 K0 and J1 K1
are given. Table 38.11.
391
img
CS302 - Digital Logic & Design
J-K Flip-flop Inputs
Excitation Inputs
J0
J0 = XY
K0
K  0 = XY + Q1Y
J1
J1 = XQ0 + Y
K1
K  1 = Q  0 Y + XYQ  0
Table 38.10
Excitation Equations for J-K flip-flop inputs J0 K0 and J1 K1
Transition Equations
Q  0( t+1) = J0 Q  0 + K  0Q  0
Q  0( t+1) = XYQ  0 + ( XY + Q1Y)Q  0
Q  0( t+1) = XYQ  0 + ( XY)(Q1Y)Q  0
Q  0( t+1) = XYQ  0 + ( X + Y)(Q1 + Y)Q  0
Q  0( t+1) = XYQ  0 + XQ1Q  0 + XYQ  0 + YQ1Q  0
Q1( t+1) = J1 Q1 + K  1Q1
Q1( t+1) = ( XQ0 + Y)Q1 + (Q  0 Y + XYQ  0 )Q1
Q1( t+1) = XQ0 Q1 + YQ1 + (Q  0 Y)( XYQ  0 )Q1
Q1( t+1) = XQ0 Q1 + YQ1 + (Q  0 + Y)( X + Y + Q  0 )Q1
Q1( t+1) = XQ0 Q1 + YQ1 + XQ  0Q1 + YQ0Q1 + XYQ1 + YQ  0Q1
Table 38.11
Transition Equations for J-K flip-flops
In the State Machine, two J-K flip-flops are used and the outputs Q0 and Q1 represent the state
variables. Two State variables allow a maximum of four states. The present state changes to
the next state depending upon external inputs X and Y. From the Transition equations a
transition table can be prepared. The Transition Table is shown. Table 38.12.
Present
Next State
Next State
Next State
Next State
State
XY=00
XY=01
XY=10
XY=11
Q1
Q0
Q1
Q0
Q1
Q0
Q1
Q0
Q1
Q0
0
0
0
0
1
0
0
1
1
0
0
1
0
1
1
1
1
0
1
1
1
0
1
0
0
0
1
1
0
0
1
1
1
1
1
0
0
0
1
0
Table 38.12  Transition Table for D flip-flop based State Machine
The Transition table is very similar to the State table. The state table can be derived from the
Transition table by assigning State Names to each State and including the output of the State
Machine. The output of the State Machine is determined by the Output Equation
392
img
CS302 - Digital Logic & Design
Z = XQ0Q1 + YQ  0 Q1
The State Table for a Mealy Machine is given. Table 38.13. The State Diagram for the Mealy
State machine derived from the State Table is shown. Figure 38.7.
Presen
Next State
Output Z
t State
XY
XY
XY
XY
XY
XY
XY
XY
00
01
10
11
00
01
10
11
A
A
C
B
C
0
1
0
1
B
B
D
C
D
0
0
0
0
C
C
A
D
A
0
0
0
0
D
D
C
A
C
0
0
1
1
Table 38.13
State Table of a Mealy Machine
Figure 38.7
State Diagram of a Mealy Machine
393