ZeePedia
Digital Logic Design
img
CS302 - Digital Logic & Design
Lesson No. 34
SHIFT REGISTERS
The need to storage binary data was discussed earlier. In digital circuits multi-bit data
has to be stored temporarily until it is processed. A flip-flop is able to store a single binary bit of
information. Multiple bits of data are stored by using multiple flip-flops which have their clock
inputs connected together. Thus, by activating the clock signal multiple-bits of data are stored.
Technically, a register performs two basic functions. It stores data and it moves or
shifts data. The shifting of data involves shifting of bits from one flip-flop to the other within the
register or moving data in and out of the register. The shift operation of the binary data is
carried out by applying clock signals. Several different kinds of shift operations can be
identified. The different shift operations are described using a 4-bit shift register.
1. Serial In/Shift Right/Serial Out Operation
Data is shifted in the right-hand direction one bit at a time with each transition of the
clock signal. Figure 34.1. The data enters the shift register serially from the left hand side and
after four clock transitions the 4-bit register has 4-bits of data. The data is shifted out serially
one bit at a time from the right hand side of the register if clock signals are continuously
applied. Thus after 8 clock signals the 4-bit data is completely shifted out of the shift register.
Figure 34.1
Serial In/Serial Right/Serial Out Operation
2. Serial In/Shift Left/Serial Out Operation
Data is shifted in the left-hand direction one bit at a time with each transition of the
clock signal. Figure 34.2. The data enters the shift register serially from the right hand side and
after four clock transitions the 4-bit register has 4-bits of data. The data is shifted out serially
one bit at a time from the left hand side of the register if clock signals are continuously applied.
Thus after 8 clock signals the 4-bit data is completely shifted out of the shift register.
Figure 34.2
Serial In/Serial Left/Serial Out Operation
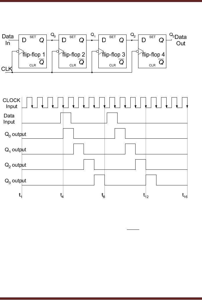
The Serial Shift register has been discussed earlier, implemented using J-K flip-flops.
Serial shift registers can be implemented using any type of flip-flops. A serial shift register
implemented using D flip-flops with the serial data applied at the D input of the first flip-flop and
serial data out obtained at the Q output of the last flip-flop is shown. Figure 34.3. At each clock
transition 1­bit of serial data is shifted in and at the same instant 1-bit of serial data is shifted
out. For a 4-bit shift register, 8 clock transitions are required to shift in 4-bit data and
346
img
CS302 - Digital Logic & Design
completely shift out the 4-bit data. As the data is shifted out 1-bit at a time, a logic 0 value is
usually shifted in to fill up the vacant bits in the shift register.
Figure 34.3a Serial In/Shift Right/Serial Out Register
Figure 34.3b Timing diagram of a Serial In/Shift Right/Serial Out Register
The shift left and shift right shift registers are identical in their working. They are
connected differently for shift left and shift right operations. Bidirectional Shift Registers are
available which allow data to be shifted left or right. Figure 34.4. The 4-bit register is
configured to shift left or right by setting the RIGHT / LEFT signal to logic high or low
respectively. When the register is configured to shift right, the AND gates marked 1 are
enabled. The input of the first flip-flop is connected to the serial Input, the inputs of the next
three flip-flops are connected to the Q outputs of the previous flip-flops. Thus on a clock
transition data is shifted 1-bit towards the right. The serial data is shifted out of the register
through output Q3. When the register is configured to shift left the AND gates marked 2 are
enabled, connecting the Q outputs of the flip-flop on the right hand side to the D input of the
flip-flop on the left hand side. Thus on each clock transition data is shifted 1-bit towards left.
Serial date out is available through the Q0 output. Serial data is input through the Serial Data in
line which is connected to the fourth AND gate marked 2 on the extreme right hand side.
347
img
CS302 - Digital Logic & Design
RIGHT / LEFT
Serial
1
2
1
2
1
2
1
2
Data
In
Q0
Q3
SET
SET
SET
SET
D
D
D
D
Q
Q
Q
Q
Q0
Q1
Q2
flip-flop 1
flip-flop 2
flip-flop 3
flip-flop 4
Q
Q
Q
Q
CLR
CLR
CLR
CLR
CLK
Figure 34.4a Bi-directional, 4-bit Shift register
RIGHT / LEFT
Figure 34.4b Timing diagram of a Bi-directional, 4-bit Shift register
The timing diagram shows the operation the Bi-directional shift register which initially shifts
data towards the left. At interval t5, the registered is configured to shift right and at t8 towards
left and again towards the right at interval t14. A logic 1 is applied at the Serial data input from
intervals t1 to t10. At interval t11 and onwards a logic 0 is applied at the Serial data input.
3. Serial In/Parallel Out Operation
Data is shifted in the left-hand direction one bit at a time with each transition of the clock
signal. The data enters the shift register serially from the right hand side and after four clock
transitions the 4-bit register has 4-bits of data. The data is shifted out in parallel by the
348
img
CS302 - Digital Logic & Design
application of a single clock signal. The shift register has 4 parallel outputs. The circuit
diagram of the Serial In/Parallel Out register is shown. Figure 34.5.
Figure 34.5
Serial In/Parallel Out Operation
The 74HC164 is an MSI 8-bit Serial In/Parallel Out Shift Register. The Shift register
has 8 parallel Outputs, an Asynchronous Active-low CLR input which clears the shift register.
The shift register is triggered on the positive clock transition. The Serial data is applied through
inputs A and B. Input pins A and B are internally connected through an internal NAND gate.
The two pins act as a data input and shift register enable inputs. Serial data is applied at either
input A or B. The other input when set to logic high enables the shift operation. The Figure
34.6
A
B
74HC164
CLR
CLK
Q0 Q1 Q2 Q3 Q4 Q5 Q6 Q7
Figure 34.6a 74HC164, 8-bit Serial In/Parallel Out Shift Register
349
img
CS302 - Digital Logic & Design
CLR
Figure 34.6b Timing diagram of a 74HC164, 8-bit Serial In/Parallel Out Shift Register
In the timing diagram, the register is cleared asynchronously by activating the active-
low CLR input at interval t0. The serial data is applied at input A of the register before interval
t0. However, the register is enabled to perform shift operation at interval t1, when input B is set
to logic high. At interval t2, there is a low to high transition in the serial data input which is latch
by the first flip-flop at the positive clock transition at interval t3. AT each positive clock transition
from interval t4 to t10 the data is shifted right by 1-bit.
4. Parallel In/Serial Out Operation
The register has parallel inputs, data bits are loaded into the register in parallel by
activating a load signal. The data is shifted out serially by application of clock signals. Thus in
a 4-bit shift register, after 4 clock signals the 4-bit data is completely shifted out of the shift
register. Figure 34.7
350
img
CS302 - Digital Logic & Design
Figure 34.7
Parallel In/Serial Out Operation
The internal circuit of a 4-bit Parallel In/Serial Out Shift register is shown. Figure 34.8.
The 4-bit data is initially loaded in Parallel into the shift register by setting the
SHIFT / LOAD input to logic low. The AND gates marked 2 are enabled allowing data to be
applied at the inputs of the respective D flip-flops. On a positive clock transition the data is
latched by the respective flip-flops. To shift the data, the SHIFT / LOAD is set to logic high
which enables AND gates marked 1 connecting the Q outputs of the each flip-flop connected
to the D input of the next flip-flop.
D0
D1
D2
D3
SHIFT / LOAD
1
2
1
2
1
2
Q3
SET
SET
SET
SET
D
D
D
D
Q
Q
Q
Q
Q0
Q1
Q2
Serial
Data
flip-flop 1
flip-flop 2
flip-flop 3
flip-flop 4
Out
Q
Q
Q
Q
CLR
CLR
CLR
CLR
CLK
Figure 34.8
4-bit Parallel In/Serial Out Shift register
The 74HC165 is an 8-bit Parallel In/Serial Out register which can also work as an 8-bit
Serial In/Serial Out register. The Parallel Data is loaded asynchronously by using the
Asynchronous Set/Clear Inputs. After loading the parallel 8-bti data, the serial shift operation is
carried out by enabling the clock signal. The CLK and CLK INH signal are internally connected
through an OR gate to the clock inputs of the eight flip-flops. The clock signal is enabled by
setting the CLK INH signal to logic low. Figure 34.9.
351
img
CS302 - Digital Logic & Design
D0 D1 D2 D3 D4 D5 D6 D7
SH / LD
Q7
SER
74HC165
CLK INH
Q7
CLK
Figure 34.9
74HC165, 8-bit Parallel In/Serial Out Shift Register
5. Parallel In/Parallel Out Operation
The register has parallel inputs and parallel outputs. Data is entered in parallel by
applying a single clock pulse. Data is latched by the flip-flops on the clock transition and is
available in parallel form at the flip-flop outputs. Figure 34.10. The internal circuit of 4-bit
Parallel In/Parallel Out Register is shown. Figure 34.11. The Parallel In/Parallel Out register
stores Parallel data and usually does not allows any shift operations.
Figure 34.10 Parallel In/Parallel Out Operation
Figure 34.11 A D-flip-flop based 4-bit Parallel In/Parallel Out Register
352
img
CS302 - Digital Logic & Design
D0  D1  D2  D3
J
K
74HC195
SH / LD
CLR
CLK
Q0  Q1  Q2  Q3
Figure 34.12 74HC195, 4-bit Parallel In/Parallel Out Shift Register
The 74HC195 is a 4-bit Parallel In/Parallel Out Register. It also has a Serial In input,
therefore the register can also be used as a Serial In/Parallel Out or as a Serial In/ Serial Out
register. The output Q3 is used as a Serial Out pin. 74HC195. The J and K inputs are used to
input data serially. These inputs are connected to the first flip-flop. The SH / LD is used to load
the Parallel Data and to allow shift operations on the clock transition. The CLR input is used to
clear the register asynchronously. Figure 34.12.
D0  D1  D2  D3
CLR
S0
S1
74HC194
SR SER
SL SER
CLK
Q0  Q1  Q2  Q3
Figure 34.13 Bi-directional 4-bit Universal Shift Register
The 74HC194 is a 4-bit Bidirectional Shift register that shifts data in the left and right
hand directions and has both Parallel and Serial input and output capability. Figure 34.13. The
register has 4-bit Parallel Inputs D0 to D3 and Parallel Outputs Q0 to Q3. An active low
Asynchronous CLR input clears the register. The register shifts data on a positive clock
transition. S0 and S1 inputs control the operation of the register. When S0 and S1 both are at
logic high, the register loads parallel data applied at the inputs D0 to D3 on the clock transition.
353
img
CS302 - Digital Logic & Design
When S0 is high, shift right operation is carried out, serial data is entered through the SR SER
input. When S1 is high, shift left operation is carried out, serial data is entered through the SL
SER input. When both S0 and S1 are logic low the register is inhibited.
6. Rotate Right Operation
The serial output of the register is connected to the serial input of the register. By
applying clock pulses data is shifted right. The data shifted out of the serial out pin at the right
hand side is re-circulated back into the shift register input at the left hand side. Thus the data
is rotated right within the register. Figure 34.14
Figure 34.14 Rotate Right Operation
7. Rotate Left Operation
The serial output of the register is connected to the serial input of the register. By
applying clock pulses data is shifted left. The data shifted out of the serial out pin at the left
hand side is re-circulated back into the shift register input at the right hand side. Thus the data
is rotated left within the register. Figure 34.15
Figure 34.15 Rotate Left Operation
Shift Register Counters
Shift register counters are basically, shift registers connected to perform rotate left and
rotate right operations. When data is rotated through a register counter a specific sequence of
states is repeated. Two commonly used register counters in digital logic are the Johnson
Counter and the Ring Counter.
1. Johnson Counter
In a Johnson counter, the Q output of the last flip-flop of the shift register is connected
to the data input of the first flip-flop. The circuit of a 4-bit, D flip-flop based Johnson Counter is
shown in figure 34.16. The sequence of states that are implemented by a n-bit Johnson
counter are 2n. Thus a 4-bit Johnson counter sequences through 8 states and a 5-bit Johnson
counter sequences through 10 states. Table 34.1
354
img
CS302 - Digital Logic & Design
Figure 34.16 4-bit Johnson Counter
Clock
Q0
Q1
Q2
Q3
Pulse
0
0
0
0
0
1
1
0
0
0
2
1
1
0
0
3
1
1
1
0
4
1
1
1
1
5
0
1
1
1
6
0
0
1
1
7
0
0
0
1
Table 34.1 Sequence of states of a 4-bit Johnson Counter
2. Ring Counter
The Ring Counter is similar to the Johnson counter, except that the Q output of the last
flip-flop of the shift register is connected to the data input of the first flip-flop of the shift
register. All the flip-flops of the counter are cleared to logic low except for the first flip-flop
which is preset to logic high. Figure 34.17.
PRE
CLR
Figure 34.17 4-bit Ring Counter
After the initialization of the counter, the logic high set at the output of the first flip-flop
is shifted right at each clock transition. Table 34.2. With a Ring Counter circuit no decoding
gates are required. Each state of the ring counter has a unique output.
Clock
Q0
Q1
Q2
Q3
Pulse
0
1
0
0
0
1
0
1
0
0
2
0
0
1
0
3
0
0
0
1
Table 34.2 Sequence of states of a 4-bit Ring Counter
355