ZeePedia
Digital Logic Design
img
CS302 - Digital Logic & Design
Lesson No. 32
D FLIP-FLOP BASED IMPLEMENTATION
Flip-Flop Transition Table
To implement the counter using D flip-flops instead of J-K flip-flops, the D transition
table is used. The D flip-flop only has a single input and the output of the D flip-flop follows the
input. The D flip-flop transition table is shown. Table 32.1
Flip-flop
Output
Inputs
Transitions
D
Qt+1
1
1
0
0
Table 32.1
D flip-flop Transition table
Karnaugh Maps
The D input table is shown in table 32.2. The Karnaugh maps for the input expressions
are also derived from the input table.
Present State
Next State
D flip-flop inputs
Q2
Q1
Q0
Q2
Q1
Q0
D2
D1
D0
0
0
0
0
0
1
0
0
1
0
0
1
0
1
0
0
1
0
0
1
0
0
1
1
0
1
1
0
1
1
1
0
0
1
0
0
1
0
0
1
0
1
1
0
1
1
0
1
1
1
0
1
1
0
1
1
0
1
1
1
1
1
1
1
1
1
0
0
0
0
0
0
Table 32.2
D flip-flop input table
Q2Q1/Q0
0
1 Q2Q1/Q0
0
1
Q2Q1/Q0
0
1
00
0
1
00
1
0
00
0
0
01
1
0
01
1
0
01
0
1
11
1
0
11
1
0
11
1
0
10
0
1
10
1
0
10
1
1
D  2 = Q  2 Q1Q  0
D1 = Q  0 Q1
D0 = Q0
Table 32.3
Karnaugh Map for D2, D1 and D0 inputs
Logic expressions for Flip-flop Inputs
Simplified expressions for D2, D1 and D0 are obtained from the Karnaugh maps. The
expressions are shown along with the Karnaugh maps.
327
img
CS302 - Digital Logic & Design
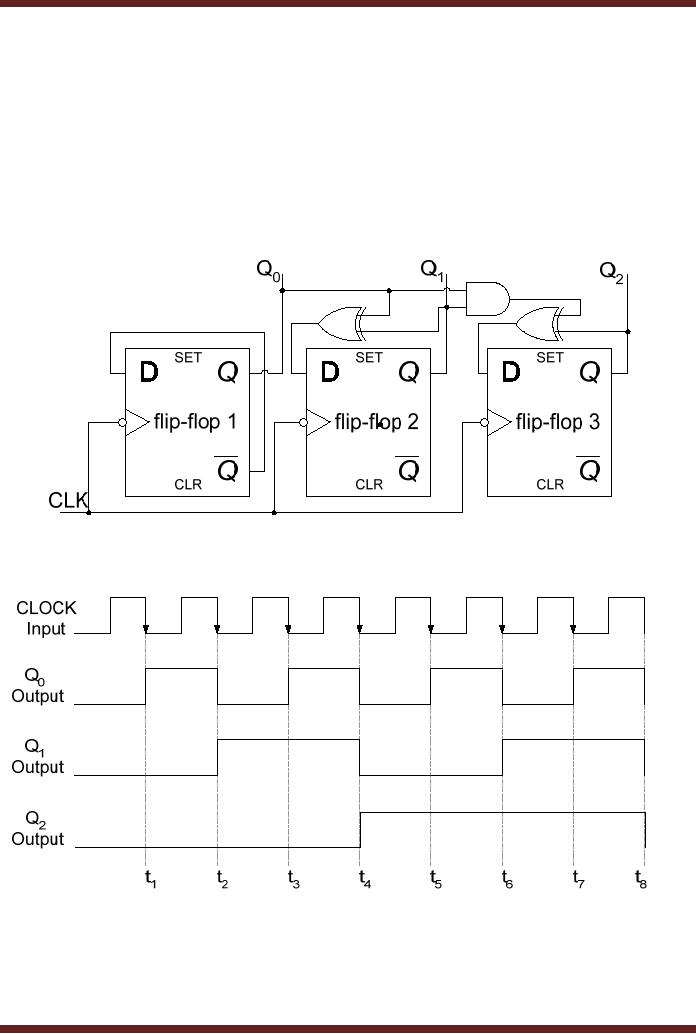
Sequential Circuit Implementation
The first D flip-flop is connected to toggle at each clock transition. The second flip-flop
sets its output depending on the D input. The input to the second flip-flop is determined by the
expression D1 = Q  0 Q1 , thus at intervals t1, t4, t5 and t8 the input D1 is at logic 1 therefore on
the clock transition the output Q1 is also set to logic 0. At intervals t2, t3, t6 and t7 the output Q1
is set to logic 1 as the input D1 is at logic 1. The input to the second flip-flop is determined by
the expression D  2 = Q  2 Q1Q  0 , thus at intervals t1, t2, t3 and t8 the output Q2 is set to 0 as D2
input is at logic 0. At intervals t4, t5, t6 and t7 the output Q2 is set to logic 1 as D2 input is at logic
1. Figure 32.1
Figure 32.1a D flip-flop based implementation of 3-bit Synchronous Counter
Figure 32.1b Timing diagram of the D flip-flop based 3-bit Synchronous Counter
Implementing a 3-bit Up/Down Counter
328
img
CS302 - Digital Logic & Design
7. State Diagram
The state diagram of a 3-bit Up/Down Synchronous Counter is shown in the figure.
32.2. X=0 and X =1 indicates that the counter counts up when input X = 0 and it counts down
when X =1. X is used as input variable to configure the counter as up or down counter.
Figure 32.2
State diagram of a 3-bit Up-Counter
8. Next-State Table
The next state is the state to which the sequential circuit switches when a clock
transition occurs. Table 32.4. The next state outputs for X=0 and X=1 are shown separately.
Present State
Next State X=0
Next State X=1
Q2
Q1
Q0
Q2
Q1
Q0
Q2
Q1
Q0
0
0
0
0
0
1
1
1
1
0
0
1
0
1
0
0
0
0
0
1
0
0
1
1
0
0
1
0
1
1
1
0
0
0
1
0
1
0
0
1
0
1
0
1
1
1
0
1
1
1
0
1
0
0
1
1
0
1
1
1
1
0
1
1
1
1
0
0
0
1
1
0
Table 32.4
Next-State Table for a 3-bit Up-Counter
9. Flip-flop Transition Table
The flip-flop transition table is based on the J-K flip-flop. Table 32.5
Flip-flop Inputs
Output Transitions
J
K
Qt
Qt+1
0
x
0
0
1
x
0
1
329
img
CS302 - Digital Logic & Design
x
1
1
0
x
0
1
1
Table 32.5
J-K flip-flop Transition table
10. Karnaugh Maps
The J-K flip-flop inputs when state variables change when X=0 and X=1 are shown in
the table 32.6. The J-K inputs can be directly mapped to 4-Variable Karnaugh maps. Table
32.7
Present State
Next State X=0
J-K flip-flop inputs
Q2
Q1
Q0
Q2
Q1
Q0
J2
K2
J1
K1
J0
K0
0
0
0
0
0
1
0
x
0
x
1
x
0
0
1
0
1
0
0
x
1
x
x
1
0
1
0
0
1
1
0
x
x
0
1
x
0
1
1
1
0
0
1
x
x
1
x
1
1
0
0
1
0
1
x
0
0
x
1
x
1
0
1
1
1
0
x
0
1
x
x
1
1
1
0
1
1
1
x
0
x
0
1
x
1
1
1
0
0
0
x
1
x
1
x
1
Table 32.6a  J-K flip-flop input table for X=0
Present State
Next State X=1
J-K flip-flop inputs
Q2
Q1
Q0
Q2
Q1
Q0
J2
K2
J1
K1
J0
K0
0
0
0
1
1
1
1
x
1
x
1
x
0
0
1
0
0
0
0
x
0
x
x
1
0
1
0
0
0
1
0
x
x
1
1
x
0
1
1
0
1
0
0
x
x
0
x
1
1
0
0
0
1
1
x
1
1
x
1
x
1
0
1
1
0
0
x
0
0
x
x
1
1
1
0
1
0
1
x
0
x
1
1
x
1
1
1
1
1
0
x
0
x
0
x
1
Table 32.6b  J-K flip-flop input table for X=1
Q2Q1/Q0X
00
01
11
10
Q2Q1/Q0X
00
01
11
10
00
x
x
x
x
00
0
1
0
0
01
x
x
x
x
01
0
0
0
1
11
0
0
0
1
11
x
x
x
x
10
0
1
0
0
10
x
x
x
x
J0 = 1
K0 = 1
Table 32.7a
Karnaugh Map for J2 and K2 inputs
Q2Q1/Q0X
00
01
11
10
330
img
CS302 - Digital Logic & Design
Q2Q1/Q0X
00
01
11
10
00
0
1
0
1
00
x
x
x
x
01
x
x
x
x
01
0
1
0
1
11
x
x
x
x
11
0
1
0
1
10
0
1
0
1
10
x
x
x
x
J1 = Q  0 X + Q  0 X
K1 = Q0 X + Q0 X
Table 32.7b
Karnaugh Map for J1 and K1 inputs
Q2Q1/Q0X
00
01
11
10
Q2Q1/Q0X
00
01
11
10
00
x
x
1
1
00
1
1
x
x
01
x
x
1
1
01
1
1
x
x
11
x
x
1
1
11
1
1
x
x
10
x
x
1
1
10
1
1
x
x
J2 = Q1Q  0 X + Q1 Q  0 X
K  2 = Q1Q  0 X + Q1 Q  0 X
Table 32.7c
Karnaugh Map for J0 and K0 inputs
11. Logic expressions for Flip-flop Inputs
Simplified expressions for J2-K2, J1-K1 and J0-K0 are directly obtained from the
Karnaugh maps. The expressions are shown along with the Karnuagh maps.
12. Sequential Circuit Implementation
The Boolean expressions obtained in the previous step are implemented using logic
gates. The sequential circuit implemented is shown in figure 32.3
X=0 (up)
Q0
Q1
Q2
X=1 (down)
1
SET
SET
SET
J
Q
J
Q
J
Q
flip-flop 2
flip-flop 1
flip-flop 3
K
Q
K
Q
K
Q
CLR
CLR
CLR
CLK
Figure 32.3
Implementation of the Sequential Circuit
331
img
CS302 - Digital Logic & Design
State Reduction
A state diagram show the sequence of current and next states through which the state
machine sequences. Figure 32.4. The transition from a current state to the next state is
determined by current state and the inputs. The outputs of the state machine may also change
during the transition from the current state to the next state. The outputs may depend only on
the current state (Moore Machine) or a combination of current state and the inputs (Mealy
Machine). It is possible that two or more states are equivalent. Two states are considered
equivalent if for the same set of inputs the states change to the same next state or equivalent
next states and give identical outputs. If equivalent states exist then one of the equivalent state
is removed. Reduction in the number of state results in fewer flip-flops and a simpler circuit.
1/0
0/1
a
0/0
b
e
0/0
0/0
1/1
1/0
f
1/1
c
1/0
0/1
1/1
0/0
d
0/0
g
1/0
Figure 32.4
State diagram
Reduction in the number of states is possible if one is interested only in the input and
output relationship, that is, input and outputs remain unchanged. When external outputs are
taken directly from flip-flops, the output must be independent of the number of states before
state reduction algorithms are applied. Consider the sequence a, b, c, f, d, d, e, g, e, g, d, e, a,
f, d, e, a starting from the initial state a. The inputs and the corresponding outputs are shown
in the table. Table 32.8
state
a
b
c
f
d
d
e
g
d
e
a
f
d
e
a
Input
1
1
1
0
1
0
1
0
0
0
0
0
0
0
Output
0
1
1
0
0
1
1
0
1
0
0
0
1
0
Table 32.8
The input and output sequence
In the next state table the state `f' is equivalent to state `g' as for each set of inputs
states `f' and `g' change to states `d' and `e' respectively. Table 32.9a. Similarly, the outputs
also remain identical. Therefore state `g' can be eliminated and in the state table all instances
of state `g' are replaced by state `f'.
332
img
CS302 - Digital Logic & Design
Present
Next State
Output
State
X=0
X=1
X=0
X=1
a
f
b
0
0
b
b
c
1
1
c
a
f
0
1
d
e
d
1
0
e
a
g
0
1
f
d
e
0
0
g
d
e
0
0
Table 32.9a
Next-State table
Present
Next State
Output
State
X=0
X=1
X=0
X=1
a
f
b
0
0
b
b
c
1
1
c
a
f
0
1
d
e
d
1
0
e
a
f
0
1
f
d
e
0
0
Table 32.9b
Next State table, with state `g' eliminated and instances of state `g' replaced by
state `f'
In the next state table state `c' is equivalent to state `e' as for each input, the current
state changes to the same next states. Table 32.9b. The outputs are also identical when
changing from the present state to the next state. The state table is simplified by eliminating
state e and replacing all instances of state `e' with state `c'. table 32.9c. The State diagram
represented by the simplified state table is shown. Figure 31.7.
Present
Next State
Output
State
X=0
X=1
X=0
X=1
a
f
b
0
0
b
b
c
1
1
c
a
f
0
1
d
c
d
1
0
f
d
c
0
0
Table 32.9c
Next State table, with state `e' eliminated and instances of state `e' replaced by
state `c'
333
img
CS302 - Digital Logic & Design
1/0
0/1
a
b
0/0
0/0
1/1
1/0
f
1/1
c
0/0
0/1
d
1/0
Figure 32.5
Simplified State diagram
Reconsider the initial sequence a, b, c, f, d, d, e, g, e, g, d, e, a, f, d, e, a starting from
the initial state a. The inputs and outputs for the state sequence derived from the simplified
State diagram are shown in table 32.10.
state
a
b
c
f
d
d
c
f
d
c
a
f
d
c
a
Input
1
1
1
0
1
0
1
0
0
0
0
0
0
0
Output
0
1
1
0
0
1
1
0
1
0
0
0
1
0
Table 32.10
The input and output sequence obtained from the simplified state diagram
Elimination of equivalent states results in the reduction in the number of flip-flops. In
the example described, the elimination of two states reduces the total number of unique states
from seven to five, however the number of flip-flops remain the same which is three. If the
number of states had been reduced to four then only two flip-flops would be required.
334