ZeePedia
Digital Logic Design
img
CS302 - Digital Logic & Design
Lesson No. 28
TIMING DIAGRAM OF A SYNCHRONOUS DECADE COUNTER
CLOCK
Input
F0
Output
F1
Output
F2
Output
F3
Output
t2
t3
t4
t5
t6
t7
t8
t10
t9
t1
Figure 28.1
Timing diagram of a Synchronous Decade Counter
Mod-n Synchronous Counter
A Mod-n Synchronous can be implemented using appropriate number of J-K flip-flops
connected together with their clocks triggered simultaneously. A synchronous counter which
counts a truncated sequence of n unique states can be similarly implemented. The Modulus
number represents the unique number of states which the counter counts in a sequence. The
Modulus number determines the number of flip-flops required based on the relation n = 2m
where m is the number of flip-flops.
284
img
CS302 - Digital Logic & Design
Integrated Circuit Synchronous Counters
Instead of connecting a large number of flip-flops together to form large Synchronous
counters, counter circuits available in Integrated Circuit form can be quickly connected to form
large counters. The 74HC163 is a 4-bit Synchronous Counter. Figure 28.2. The counter has
the following pins.
1.
Parallel data inputs D0, D1, D2 and D3
2.
Data outputs Q0, Q1, Q2 and Q3
3.
Positive edge-triggered CLOCK signal
4.
Active-low CLR input which resets the Counter output to 0000
5.
Active-low LOAD input which loads the 4-bit data applied at the counter inputs
6.
Active-high ENT and ENP enable inputs. For the counter to operate both the enable inputs
have to be high
7. The Ripple Clock Output RCO goes high when the Counter reaches the terminal count
1111. The RCO output along with ENT and ENP enable input pins are used to cascade
multiple counter ICs for implementing larger counters
D0  D1  D2  D3
CLR
LOAD
RCO
74HC163
ENT
ENP
CLK
Q0  Q1  Q2  Q3
Figure 28.2a 74HC163 4-bit Synchronous Counter
Referring to the timing diagram, the CLR signal is activated between interval t0 and t1.
The counter output is reset synchronously at interval t1 as the CLR signal is active at interval
t1. If the CLR signal is deactivated before interval t1 then the counter output is not reset. The
LOAD signal is activated between interval t1 and t2. At the clock transition at t2, the counter is
loaded with the 4-bit data applied at the inputs D0, D1, D2 and D3. The ENP and ENT enable
signals are activated before interval t3 and the counter increments to the higher count at clock
transition at intervals t3 and t4. When the counter reaches the count 15 at interval t4, the RCO
(Ripple Clock Output) is set to high indicating that terminal count has been reached. At
intervals t5, t6, t7 and t8 the counter successively counts to 0, 1, 2 and 3. The counter enable
signal ENP is deactivated after interval t8, which inhibits the counter from counting any further.
285
img
CS302 - Digital Logic & Design
CLR
LOAD
Figure 28.2b Timing diagram of the 74HC163 Synchronous counter
The 74HC160 is a 4-bit Synchronous Decade counter with the same input and output
pins as the 74HC163. The RCO output of the decade counter is activated when the counter
reaches its terminal count 1001.
Cascading Counters
It is very convenient to cascade Integrated Circuit counters together to form larger
counters instead of connecting together flip-flops to implement a large counter. The enable
inputs and Ripple Clock Outputs of the Integrated Circuit counters allow cascading of multiple
counters together. Two, 74HC160 decade counters are shown connected together to divide
the input frequency by 10 and 100. Figure 28.3. The 74HC163 can also be similarly cascaded
together.
286
img
CS302 - Digital Logic & Design
CLR
LOAD
Figure 28.3a Cascaded Decade Counters
Figure 28.3b Timing diagram of a Cascaded Decade Counter
In the timing diagram, at interval t9 the first decade counter reaches the terminal count 1001.
The RCO output of the counter is set to logic 1. The RCO of the first counter is connected to
the ENP and ENT enable pins of the second counter, therefore the counter is enabled. At
interval t10 on a positive clock transition the first counter increments to count 0000. Since the
second counter is also enabled, it is incremented to 0001. As soon as the first counter is
incremented to 0000, the ECO signal is deactivated which in-turn also inhibits the second
counter. The first counter counts from 0001 to 1000 in the intervals t11 to t19. At interval t19 the
287
img
CS302 - Digital Logic & Design
first counter again reaches its terminal count 1001, the RCO output of counter once again
becomes active thereby activating the second counter. At interval t20 on a positive clock
transition the first and second counters increment to count 0000 and 0010 respectively. The
RCO signal is again deactivated inhibiting the second counter from counting. This sequence
continues after the first counter reaches its terminal count.
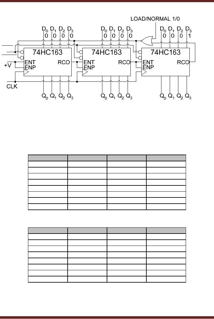
Integrated Circuit Counters with Truncated Sequences
Earlier, a decade counter was implemented by truncating the counting sequence of a
MOD-16 counter. The Integrated Circuit Counters can also be configured as MOD-n counters
where n represents the truncated sequence and is less than 16. Figure 28.4 shows the circuit
diagram of the 74HC163 counter configured as Mod-7 counter. The counter is preset with the
count value 1001 by setting the LOAD/NORMAL input to logic 1 at the NOR gate input. At the
positive clock transition t1, the count value is loaded. The counter increments and at interval t7
it reaches the terminal count. The RCO output is set to logic 1 which sets the LOAD input to
logic 0. At the positive clock transition at interval t8 the preset value 1001 is reloaded and the
counter continues its counting sequence.
D0  D1  D2  D3
LOAD/NORMAL 1/0
1001
CLR
LOAD
RCO
74HC163
ENT
+V
ENP
CLK
Q0  Q1  Q2  Q3
Figure 28.4a 74HC163 configured as Mod-7 counter
288
img
CS302 - Digital Logic & Design
LOAD
Figure 28.4b The timing diagram of a truncated Mod-7 Counter
Another method to configure an Integrated Circuit counter is to reset the counter when
it reaches the maximum count value of its truncated sequence. This requires extra logic in the
form of logic gates that determine the terminating state and reset the counter. The circuit
diagram of the counter is shown. Figure 28.5
D0  D1  D2  D3
LOAD/NORMAL 1/0
CLR
LOAD
RCO
74HC161
ENT
+V
ENP
CLK
Q0  Q1  Q2  Q3
Figure 28.5a 74HC161 configured as Mod-9 counter
289
img
CS302 - Digital Logic & Design
CLR
Figure 28.5b Timing diagram of a 74HC161 configured as Mod-9 counter
The counter used is 74HC161 instead of 74HC163. The 74HC161 has an
Asynchronous Clear input, where as the 74HC163 counter has a synchronous Clear input. At
time interval t9 the counter increments to 1001 which sets the output of the AND gate to logic
1. The NOR gate output is set to logic low which activates the clear input and resets the
counter to 0000. The 74HC163 counter which has a synchronous clear input, will reset counter
resets at interval t10 when there is a transition at the clock input. It is clear from the timing
diagram that to implement a Mod-9 counter the 74HC161 instead of 74HC163 counter has to
be used.
Cascaded Counters with Truncated Sequences
Cascaded counters can also be configured to count in a truncated sequence. The
circuit diagram of three cascaded 74HC163 is shown. Figure 28.6. The 12-bit cascaded
counter is loaded with initial count value 1000 0000 0000. When the counter counts to 1111
1111 1111, the RCO output set to logic 1 by the third counter reloads the initial count values
0000, 0000 and 1000 in all the three counters respectively. The 12-bit counter can be
configured for maximum count sequence as Modulus 4096 counter. The counter has been
configured to count from 1000 0000 0000 to 1111 1111 1111 that is 2048 states or Modulus
2048 counter.
290
img
CS302 - Digital Logic & Design
CLR
LOAD
Figure 28.6
74HC163 counters connected for cascaded truncated count sequence
Up-Down Counter
An up-down counter can increment its output count value at each clock transition or
decrement its count value at each clock transition, depending upon the count mode it is
configured in. The counter can be reconfigured to count in the opposite direction during its
count sequence. The circuit of an up-down 3-bit counter can be developed by studying the up-
down count sequence of the counter. Table 28.1.
Clock Pulse
Q2
Q1
Q0
0
0
0
0
1
0
0
1
2
0
1
0
3
0
1
1
4
1
0
0
5
1
0
1
6
1
1
0
7
1
1
1
Table 28.1a
Up-counting sequence of a 3-bit Synchronous Counter
Clock Pulse
Q2
Q1
Q0
0
1
1
1
1
1
1
0
2
1
0
1
3
1
0
0
4
0
1
1
5
0
1
0
6
0
0
1
7
0
0
0
Table 28.1b  Down-counting sequence of a 3-bit Synchronous Counter
A 3-bit Synchronous up-counter has been discussed earlier. Consider the implementation of
down-counter, the up and down counter can be combined to form a single configurable up-
down counter. For the down-counting sequence the output Q0 of the first flip-flop toggles
291
img
CS302 - Digital Logic & Design
between 0 and 1, therefore the J-K inputs are connected to logic 1. The output Q1 of the
second flip-flop toggles between logic 0 and 1 when the Q0 output is logic 0 or Q  0 is logic 1.
The output Q2 of the third flip-flop toggles when Q0 and Q1 outputs are both logic 0 or Q  0 and
Q1 are both logic 1.
292