ZeePedia
Digital Logic Design
img
CS302 - Digital Logic & Design
Lesson No. 19
DEMULTIPLEXER
A Multiplexer has several inputs. It selects one of the inputs and routes the data at the
selected input to the single output. Demultiplexer has an opposite function to that of the
Multiplexer. It has a single input and several outputs. The Demultiplexer selects one of the
several outputs and routes the data at the single input to the selected output. A demultiplexer
is also known as a Data Distributor.
The circuit diagram of a 1-to-4 line Demultiplexer is shown. Figure 19.1. The circuit if
compared to that of the 2-to-4 Decoder. The Decoder enable input is used as the
Demultiplexer data input. A Demultiplexer is not available commercially. A Demultiplexer is
available as a Decoder/Demultiplexer chip which can be configured to operate as a
Demultiplexer or a Decoder.
The circuit of the 1-to-4 Demultiplexer is similar to the 2-to-4 Binary Decoder
described earlier figure 16.9. The only difference between the two is the addition of the Data
Input line, which is used as enable line in the 2-to-4 Decoder circuit figure 16.10. Assuming the
select inputs I1 and I0 are set to 1 and 0 respectively. The O2 output is set to 1 if the Data input
is 1 or it is set to 0 if the Data input is 0.
Figure 19.1
1-to-4 Demultiplexer
Applications of Demultiplexer
Demultiplexer is used to connect a single source to multiple destinations. One use of
the Demultiplexer is at the output of the ALU circuit. The output of the ALU has to be stored in
one of the multiple registers or storage units. The Data input of the Demultiplexer is connected
to the output of the ALU. Each output of the Demultiplexer is connected to each of the multiple
registers. By selecting the appropriate output data from the ALU is routed to the appropriate
register for storage.
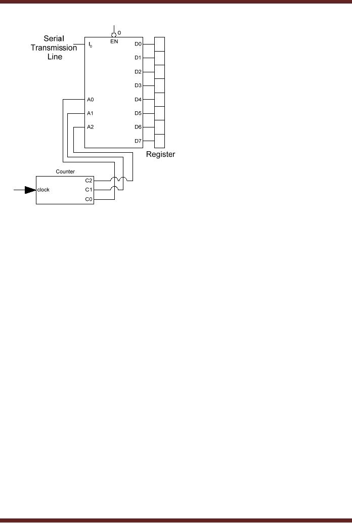
The second use of the Demultiplexer is the reconstruction of Parallel Data from the
incoming serial data stream. Serial data arrives at the Data input of the Demultiplexer at fixed
time intervals. A counter attached to the Select inputs of the Demultiplexer routes the incoming
serial bits to successive outputs where each bit is stored. When all the bits have been stored,
data can be read out in parallel. Figure 19.2
178
img
CS302 - Digital Logic & Design
Figure 19.2
Demultiplexer as a Serial to Parallel Converter
Programmable Logic Devices
Programmable Logic Devices are used in many applications to replace the Logic gates
and MSI chips. PLDs save circuit space and reduce and save the cost of components in a
Digital Circuit. PLDS consists of Arrays of AND gates and OR gates that can be programmed
to perform specific functions.
Programmable Arrays of AND Gates and OR Gates
The array is essentially a grid of conductors that forms rows and columns with a fuse
connecting each column conductor with each row conductor. The fuses can be blown to
disconnect a particular column from a particular row. The OR gate array consists of the grid
and OR gates. Similarly the AND gate array consists of the grid and AND Gates. Figure 19.3
Each column conductor in the grid represents a single variable or its complement. A
grid of several column conductors represents several variables and their complements. Each
OR and AND gate in the array is connected to each of the variables through horizontal
conductors. When all the fuses are intact, all variables are present at the inputs of all the OR
and AND gates. The OR and AND gates can be configured to have specified literals
connected to their inputs by blowing away appropriate fuses which are blown through
programming. A programmed OR array has sum terms at the output of its OR gates. Similarly
a programmed AND array has product terms at its output. Figure 19.4
179
img
CS302 - Digital Logic & Design
A
B
A
B
Fusible Link
X1
X2
X3
Figure 19.3a OR Gate Array
A
B
A
B
Fusible Link
X1
X2
X3
Figure 19.3b AND Gate Array
180
img
CS302 - Digital Logic & Design
A
B
A
B
A +B
A +B
A +B
Figure 19.4a Programmed OR Gate Array
A
B
A
B
AB
AB
AB
Figure 19.4b Programmed AND Gate Array
An alternate implementation of the grid is with no fuses, the grid column and row
conductors are not connected to each other. A specific column conductor can be connected to
a row conductor by shorting the column and row conductors. Both the methods in which a fuse
is blown to disconnect a column from a row and the shorting method in which a column is
connected to a row can only be done once. Thus when an array has been configured to
perform a function it can not be reprogrammed.
Programmable Logic Devices have an array of AND gates and an array of OR gates
either or both of which can be programmed. There are different types of PLDs, they are
181
img
CS302 - Digital Logic & Design
classified according to their architecture which allows either both the arrays to be programmed
or only one of the two arrays.
1. Programmable Read-Only Memory (PROM)
The PROM consists of a fixed non-programmable AND array configured as a decoder
and a programmable OR array. Figure 19.5. The PROM is used as a storage device which
stores information at addressable locations. It has limited applications and is not used as a
logic device. PROM architecture and details are discussed in latter lectures.
2. Programmable Logic Array (PLA)
The PLA consists of a programmable AND array and a programmable OR array.
Figure 19.6. It has been designed to overcome the limitations of a PROM. PLA is also known
as a Field-Programmable Logic Array as it can be programmed by the user and not by the
manufacturer.
`
Input 1
Output 1
Input 2
Output 2
Fixed
Programmable
AND array
OR array
Output m
Input n
Figure 19.5
Block diagram of a PROM
`
Input 1
Output 1
Input 2
Output 2
Programmable
Programmable
AND array
OR array
Output m
Input n
Figure 19.6
Block diagram of a PLA
3. Programmable Array Logic (PAL)
The PAL has been designed to overcome the longer delays and the complex circuitry
associated with the PLA due to two programmable arrays. The PAL has programmable AND
array and a fixed OR array. Figure 19.7
182
img
CS302 - Digital Logic & Design
`
Output 1
Input 1
Input 2
Output 2
Fixed
Programmable
AND array
OR array
and output logic
Output m
Input n
Figure 19.7
Block diagram of a PAL
4. Generic Array Logic (GAL)
The GAL has a reprogrammable AND array and a fixed OR array with programmable
output logic. Figure 19.8. The main difference between GAL and PAL are the reprogrammable
AND array which can be programmed again and again, unlike PAL AND array which can be
programmed once. GAL uses E2CMOS technology which is Electrically Erasable CMOS
instead of Bipolar technology and fusible links. The other difference is the programmable
outputs.
`
Output 1
Input 1
Input 2
Output 2
Fixed
Programmable
AND array
OR array
and
Programmable
output logic
Output m
Input n
Figure 19.8
Block diagram of a GAL
All the four PLD devices use AND arrays followed by OR arrays. Therefore they all
allow implementation of Sum-of-Product Boolean expressions.
PAL Circuit and Programming
A simplified PAL structure is shown where the AND array has been programmed to
generate three product terms which are added together by the OR array. Figure 19.9
183
img
CS302 - Digital Logic & Design
A
B
A
B
AB
AB
AB + AB + AB
AB
Figure 19.9
PAL programmed to implement an SOP function
Input Lines
Input Buffers
B
A
B
A
A
Single Line with slash represents
multiple AND gates inputs
B
X
X
2
X
X
X
2
X
X
2
Fuse Intact
Fuse Blown
(Connection)
(no Connection)
Figure 19.10 Simplified diagram of programmed PAL
PALs have many inputs and multiple outputs connected through a large number of
AND gates and OR gates. Drawing the circuit diagram of a PAL having multiple gates each
having multiple inputs becomes difficult. PALs have Buffers at the inputs which produce the
actual variable and its complement. The multiple input lines to an AND gate array are
represented by a single line with a slash indicating the number of inputs. The cross indicates
184
img
CS302 - Digital Logic & Design
the fuses that are intact showing a connection between the vertical line and horizontal line of
the AND array. Figure 19.10
PAL Outputs
PALs typically have 8 or more inputs to the AND array and 8 or less outputs from the
fixed OR array. Some PALs have combined inputs and outputs that can be programmed as
either inputs or outputs. PAL output logic can be configured according to the application of the
PAL. The modified block diagram representing a PAL showing the output of the OR Array
connected to output logic which allows the outputs to be configured is shown in figure 19.11.
The three types of outputs are
·  Combinational Output used for an SOP function and is available as an active-high or
active-low output. Figure 19.12a
·  Combinational Input/Output is used when the output is connected back to the input of the
PAL or if the output pin is used as an input only. Figure 19.12b
·  Programmable polarity output is used to either select the output function or its complement
by programming an XOR gate at the output. Figure 19.12c
Output
`
Input 1
Output 1
Logic
Output
Input 2
Output 2
Fixed
Programmable
Logic
AND array
OR array
Output
Output m
Logic
Input n
Figure 19.11 Block diagram of a PAL with programmable outputs
From AND
Output
gate array
Figure 19.12a Combinational Output with active-low output
The output of the OR gate from the OR gate Array is shown to be connected to a tri-
state buffer input. The tri-state buffer can be activated or deactivated through the control line
shown connected to its side. The Combinational Output for an SOP function is implemented by
activating the tri-state buffer which allows the output of the OR gate to be inverted by the tri-
state buffer and passed to the output of the PAL device. An active-high output can be obtained
if the PAL device has active-high output tri-state buffers.
185
img
CS302 - Digital Logic & Design
From AND
Input /
gate array
Output
Figure 19.12b Combinational Input/Output with active-low output
The Combinational input/output function is used when the output of the OR gate has to
be connected back to the input of the AND Gate. As shown in the figure the output of the tri-
state buffer is connected to the input of an inverting and non-inverting buffer which allows the
inverted and non-inverted outputs of the OR gate to be connected to the input of the AND gate
array. Secondly, by deactivating the tri-state buffer connected at the output of the OR Gate,
the output pin is configured as an input pin. External signals connected to the output pin are
passed to the input of the AND array.
Input /
From AND
Output
X
gate array
Figure 19.12c Programmed Polarity output
The Programmed Polarity output has the output of the OR gate connected through an
XOR gate to the tri-state buffer. The XOR gate allows the output of the OR gate to be set to
active-high or active-low. When the second input of the XOR gate is connected to ground, the
output of the XOR gate is the same as the output of the OR gate. When the fuse of the XOR
gate input is blown to set the input to logic high, the output of the XOR gate is opposite of the
OR gate output.
PAL Identification
PALs come in different configurations they are identified by unique number. The
numbers begin with the prefix PAL followed by two digits that indicate the number of inputs
followed by a letter L active-low, H active-high or P programmable polarity followed by a single
or two digits that indicate the number of outputs. In addition to the standard number there may
be suffixes which specify the speed, package type and temperature range. Figure 19.13
186
img
CS302 - Digital Logic & Design
P A L 10 L 8
Programmable array Logic
Eight Outputs
Active Low output
Ten Inputs
Figure 19.13 Standard PAL Numbering
PLA Circuit and Programming
Figure 19.14 A 4 x 3 PLA Device
Programmable Logic Array as mentioned earlier has a programmable AND and OR
arrays.  A PLA can be programmed to implement any Sum-of-Product logic expressions,
limited by the parameters of the PLA device. The limitations are
·  Number of inputs (n)
·  Number of outputs (m)
187
img
CS302 - Digital Logic & Design
·
Number of product terms (p)
Such a device is described as an n x m PLA device with p product terms. The simplified
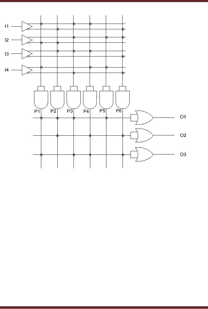
diagram of a PLA 4 x 3 device is shown in the figure 19.14. The four inputs I1, I2, I3 and I4 are
shown connected through input buffers to the input of the AND gate array. The Input buffers
provide the un-complemented and complemented input signals. Each of the 6 AND gates
which provide six product terms P1, P2, P3, P4 P5 and P6 have 8 inputs. The outputs of each
of the six AND gates are connected to the input of the OR gate array. Each of the three OR
gates six inputs. Each OR gate can thus perform a sum operation on six product terms.
The PLA allows both its AND Gate array and the OR gate array to be programmed
independently. The 4 x 3 PLA programmed with three separate functions is show in figure
19.15. The product terms generated are
P1 = I1.I2.I4
P2 = I1.I2.I3
P3 = I1.I2.I3.I4
P4 = I1.I3.I4
P5 = I2.I4
P6 = I1.I2.I3.I4
The first OR gate sums product terms P1, P2, P3 and P5, the fuses for these product terms
are seen to be intact. The second OR gate sums the product terms P2, P4 and P6. The third
OR gate sums the product terms P1, P3, P4 and P6. The three sum-of-product terms are
O1 = I1.I2.I4 + I1.I2.I3 + I1.I2.I3.I4 + I2.I4
O2 = I1.I2.I3 + I1.I3.I4 + I1.I2.I3.I4
O3 = I1.I2.I4 + I1.I2.I3.I4 + I1.I3.I4 + I1.I2.I3.I4
188
img
CS302 - Digital Logic & Design
Figure 19.15 Programmed 4 x 3 PLA Device
189