ZeePedia
Digital Logic Design
img
CS302 - Digital Logic & Design
Lesson No. 17
THE 74XX138 3-TO-8 DECODER
The 3-to-8, 74XX138 Decoder is also commonly used in logical circuits. Similar, to the
2-to-4 Decoder, the 3-to-8 Decoder has active-low outputs and three extra NOT gates
connected at the three inputs to reduce the four unit load to a single unit load. The 3-to-8
Decoder has three enable inputs, one of the three enable inputs is active-high and the
remaining two are active-low. All three enable inputs have to be activated for the Decoder to
work. The function table of the 3-to-8 decoder is presented. Table 17.1
Inputs
Outputs
G1
C
B
A
G2A
G2B
Y7
Y6
Y5
Y3
Y0
Y4
Y2
Y1
0
X
X
X
X
X
1
1
1
1
1
1
1
1
X
1
X
X
X
X
1
1
1
1
1
1
1
1
X
X
1
X
X
X
1
1
1
1
1
1
1
1
1
0
0
0
0
0
1
1
1
1
1
1
1
0
1
0
0
0
0
1
1
1
1
1
1
1
0
1
1
0
0
0
1
0
1
1
1
1
1
0
1
1
1
0
0
0
1
1
1
1
1
1
0
1
1
1
1
0
0
1
0
0
1
1
1
0
1
1
1
1
1
0
0
1
0
1
1
1
0
1
1
1
1
1
1
0
0
1
1
0
1
0
1
1
1
1
1
1
1
0
0
1
1
1
0
1
1
1
1
1
1
1
Table 17.1
Function Table of 74LS138, 3-to-8 Decoder
+5V
15
6
Y0
G1
14
4
Y1
G2A
5
13
G2B
Y2
12
Y3
1
11
A
Y4
A
2
10
B
B
Y5
3
9
C
C
Y6
7
D
Y7
enable
6
15
G1
Y0
4
14
G2A
Y1
5
13
G2B
Y2
12
Y3
1
11
A
Y4
2
10
B
Y5
3
9
C
Y6
7
Y7
Figure 17.1
4-to-16 Decoder using two 74LS139, 3-to-8 Decoder
160
img
CS302 - Digital Logic & Design
The three enable inputs serve to implement to larger Decoders such as 4-to-16 and 5-to-32 by
cascading two or four 3-to-8 Decoders respectively. The connection of two 3-to-8 Decoders is
shown. Figure 17.1
The A, B and C inputs are connected directly to the A, B and C inputs of the two 3-to-8
Decoders. The D input is connected to the active-low and active-high enable inputs G2A and
G1 of the two decoders respectively. The enable input selects/deselects bothe the decoders
simultaneously. G1 and G2B enable inputs of the two Decoders are connected to +5v and
Ground respectively. When the D input is 0, the upper decoder is selected and when D input is
1, the lower decoder is selected. The A, B and C inputs serve to select the appropriate output
of either the upper or lower decoder.
Implementing Standard SOP and POS Boolean expressions
The function table of 3-to-8 Decoder is a table of maxterms. For example, when the
input A, B, C is 0, 0 and 0 the Y0 output is activated indicating the sum term or maxterm
A + B + C . Similarly, the A, B and C inputs 1, 0 and 1 activate the Y5 output indicating the
presence of A + B + C sum term. The POS Boolean expression represented by the 3-variable
Karnaugh Map, figure 17.2, can be implemented by the 3-to-8 Decoder which uses an AND
gate to implement the product of sum terms. Figure 17.3
A\BC
00
01
11
10
0
0
0
0
1
1
1
0
0
1
Karnaugh Map of Boolean expression  ABC (0,1,3,5,7)
Figure 17.2
+5V
6
15
G1
Y0
4
14
G2A
Y1
5
13
G2B
Y2
12
Y3
1
11
A
A
Y4
2
10
B
B
Y5
3
9
C
C
Y6
7
Y7
Implementation of Boolean expression  ABC (0,1,3,5,7)
Figure 17.3
The 3-to-8 Decoder can also be used to Implement SOP expression by connecting the
outputs of the Decoder to the input of a NAND gate. Figure 17.4. The alternate symbol for the
three input NAND gate is the three input OR gate with bubbles at the inputs. The three
bubbles cancel out the three bubbles connected at the outputs Y2, Y4 and Y6 representing the
three minterms or product terms.
161
img
CS302 - Digital Logic & Design
Implementation of Boolean expression  ABC (2,4,6)
Figure 17.4
BCD to 7-Segment Decoder
BCD to 7-Segmnet Decoder is a specific type of decoder that is used to convert a 4-bit
BCD Code to a 7-Segment Code. The BCD to 7-Segment Decoder unlike the Binary Decoders
activates multiple but unique set of outputs for each 4-bit BCD input combination.
Earlier, the seven expressions for activating each of the seven segments were defined.
Each of the seven Boolean expressions can be implemented using a combination of NOT-
AND-OR gates. The implementations for segments a, b and g are shown. Figure 17.5a-c
a = A + C + BD + BD
Figure 17.5a Implementation of Segment a output
b = B + CD + CD
Figure 17.5b Implementation of Segment b output
162
img
CS302 - Digital Logic & Design
g = A + BC + CD + BC
Figure 17.5c Implementation of Segment g output
MSI Seven-Segment Decoder
The 7-Segment Decoder circuit is available in MSI form, 74LS47. The IC has 4-bit BCD
input ABCD and 7-bit active-low outputs for segments a, b, c, d, e, f and g. The Decoder also
has three extra active-low inputs.
·  LT: Lamp test
·  RBI: Ripple Blanking Input
·  BI/RBO: Blanking Input/Ripple Blanking Output
When a low is applied to the LT input and the BI/RBO is high, all of the seven
segments in the display are turned on to test that no segments are burned out. The Ripple
Blanking Input and The Blanking Input/Ripple Blanking Outputs are used to prevent display of
leading and trailing zeros.
BCD-to-Decimal Decoder
The operation of the BCD-to-Decimal Decoder is the same as a Binary 4-to-16
decoder, the only difference being that the BCD-to-Decimal Decoder has ten output pins
instead of sixteen and the input is a valid BCD number. Thus invalid BCD codes 1010, 1011,
1100, 1101, 1110 and 1111 applied at the input of the Decoder do not activate any of the ten
outputs. The commercially available MSI, BCD-to-Decimal Decoder is the 74LS42, which has
active-high inputs and active-low outputs.
Encoder
An Encoder functional device performs an operation which is the opposite of the
Decoder function. The Encoder accepts an active level at one of its inputs and at its output
generates a BCD or Binary output representing the selected input. There are various types of
Encoders that are used in Combinational Logic Circuits.
Binary Encoder
The simplest of the Encoders are the 2n-to-n Encoders. The functional table and the
circuit diagram of an 8-to-3 Binary Encoder are shown in table 17.2 and figure 17.6
respectively.
Input
Output
I0
I1
I2
I3
I4
I5
I6
I7
O2
O1
O0
X
0
0
0
0
0
0
0
0
0
0
X
1
0
0
0
0
0
0
0
0
1
X
0
1
0
0
0
0
0
0
1
0
X
0
0
1
0
0
0
0
0
1
1
163
img
CS302 - Digital Logic & Design
X
0
0
0
1
0
0
0
1
0
0
X
0
0
0
0
1
0
0
1
0
1
X
0
0
0
0
0
1
0
1
1
0
X
0
0
0
0
0
0
1
1
1
1
Table 17.2
Function Table of an 8-to-3 Encoder
I0
O0
I1
I2
I3
O1
I4
I5
I6
I7
O2
Figure 17.6
8-to-3 Encoder
The inputs and the outputs of the 8-to-3 Encoder are shown to be active-high. The I0 is
shown to be unconnected to any gate or output. Thus, if all inputs are inactive low, or the I0
input is high the output is 000. The appropriate 3-bit output combination is activated for every
input that is asserted by connecting it to logic high. The Binary encoder has a drawback when
more than one input is activated. Consider that the inputs I3 and I6 are activated
simultaneously by applying logic 1 at the two inputs. This results in the outputs 011 and 110
for the two inputs respectively. Thus all three output pins are at logic 1.
Priority Encoders
Priority Encoders remove the problem highlighted earlier with simple Binary Encoders.
Priority Encoders have necessary logic to activate the outputs corresponding to the highest
Priority input when multiple inputs are asserted simultaneously.
Boolean expressions for the three outputs O2, O1 and O0 of an 8-to-3 Priority Encoder
are can be written in terms of variables.
O2 = A  7 + A  6 + A  5 + A  4
O1 = A  7 + A  6 + A  3 + A  2
O0 = A  7 + A  5 + A  3 + A1
where
A  7 = I7
164
img
CS302 - Digital Logic & Design
A  6 = I7I6
A  5 = I7 I6I5
A  4 = I7 I6 I5I4
A  0 = I7 I6 I5 I4 I3 I2 I1I0
O  2 = I7 + I7I6 + I7 I6I5 + I7 I6 I5I4
= I7 + I7 (I6 + I6I5 + I6 I5I4 ) = I7 + I6 + I6I5 + I6 I5I4 = I7 + I6 + I6 (I5 + I5I4 ) = I7 + I6 + I5 + I5I4
= I7 + I6 + I5 + I4
O1 = I7 + I7I6 + I7 I6 I5 I4I3 + I7 I6 I5 I4 I3I2
= I7 + I7 (I6 + I6 I5 I4I3 + I6 I5 I4 I3I2 ) = I7 + I6 + I6 I5 I4I3 + I6 I5 I4 I3I2 = I7 + I6 + I6 (I5 I4I3 + I5 I4 I3I2 )
= I7 + I6 + I5 I4I3 + I5 I4 I3I2 = I7 + I6 + I5 I4 (I3 + I3I2 ) = I7 + I6 + I5 I4 (I3 + I2 ) = I7 + I6 + I5 I4I3 + I5 I4I2
O  0 = I7 + I7 I6I5 + I7 I6 I5 I4I3 + I7 I6 I5 I4 I3 I2I1
= I7 + I7 (I6I5 + I6 I5 I4I3 + I6 I5 I4 I3 I2I1 ) = I7 + I6I5 + I6 I5 I4I3 + I6 I5 I4 I3 I2I1
= I7 + I6 (I5 + I5 I4I3 + I5 I4 I3 I2I1 ) = I7 + I6 (I5 + I5 (I4I3 + I4 I3 I2I1 )) = I7 + I6 (I5 + I4I3 + I4 I3 I2I1 )
= I7 + I6 (I5 + I4 (I3 + I3 I2I1 )) = I7 + I6 (I5 + I4 (I3 + I2I1 )) = I7 + I6I5 + I6 I4I3 + I6 I4 I2I1
The MSI, 74XX148 8-input Priority has a circuit implemented based on the Boolean
expression for outputs O0, O1 and O2. The function table of the 8-inpuy Priority Encoder is
presented. Table 17.3
Inputs
Outputs
E1
I1
I2
I4
A2
A1
I0
I3
I5
I6
I7
A0
GS
EO
1
X
X
X
X
X
X
X
X
1
1
1
1
1
0
X
X
X
X
X
X
X
0
0
0
0
0
1
0
X
X
X
X
X
X
0
1
0
0
1
0
1
0
X
X
X
X
X
0
1
1
0
1
0
0
1
0
X
X
X
X
0
1
1
1
0
1
1
0
1
0
X
X
X
0
1
1
1
1
1
0
0
0
1
0
X
X
0
1
1
1
1
1
1
0
1
0
1
0
X
0
1
1
1
1
1
1
1
1
0
0
1
0
0
1
1
1
1
1
1
1
1
1
1
0
1
0
1
1
1
1
1
1
1
1
1
1
1
1
0
Table 17.3
Function Table of an 8-Input Priority Encoder
Cascading Priority Encoders
The 74XX148 Priority Encoder has active-low inputs and active-low outputs. The
Encoder also has an active-low enable input E1 which enables or disables the outputs. The
Group Select GS active-low output is asserted when any one of the inputs is asserted. The
165
img
CS302 - Digital Logic & Design
Enable output EO signal is used to cascade multiple Encoders to form larger Encoders. The
EO output is connected to the EI input of the Encoder which handles lower priority inputs. Two
8-input are shown connected together to form a 16-input Priority Encoder. Figure 17.7
Figure 17.7
8-input Priority Encoders connected to form a 16-input Priority Encoder
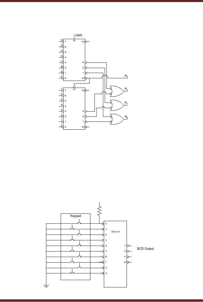
Decimal-to-BCD Encoder
The Decimal-to-BCD Encoder has ten inputs, for the decimal digits 0 to 9 and four
outputs corresponding to the 4-bit BCD output. The 74LS147 is a Decimal-to-BCD Priority
Encoder which has active-low input and outputs. The Decimal-to-BCD Priority Encoder is used
as a keypad encoder. A telephone keypad has digits 0 to 9. The keypad is connected to the
encoder through pull-up resistors that ensure that the inputs to the encoder are logic high
when none of the keypad keys is pressed. When ever a key is pressed the appropriate input of
the encoder is connected to logic low and at the output the corresponding BCD code is
generated. Figure 17.8
166
img
CS302 - Digital Logic & Design
Figure 17.8
Keypad Encoder
Multiplexer
Multiplexer is a digital switch that has several inputs and a single output. The
Multiplexer also has select inputs that allow any one of the multiple inputs can be selected to
be connected to the output. Multiplexers are also known as Data Selectors. The main use of
the Multiplexer is to select data from multiple sources and to route it to a single Destination. In
a computer, the ALU combinational circuit has two inputs to allow arithmetic operations to be
performed on two quantities. The two quantities are usually stored in different set of registers.
The inputs of the two multiplexers are connected to the output of each of the multiple registers.
The outputs of the two multiplexers are connected to the two inputs of the ALUs. The
Multiplexers are used to route the contents of any two registers to the ALU inputs.
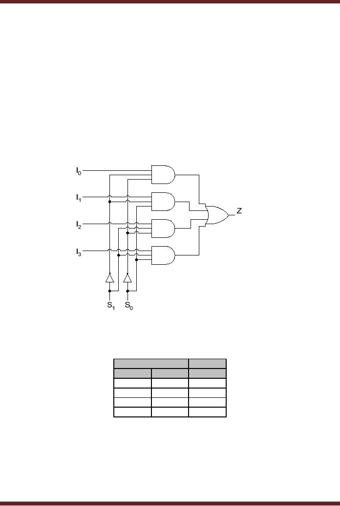
Multiplexers are available in different configurations. The 4-to-1 Multiplexer circuit is
shown. Figure 17.9, the function table of the Multiplexer is presented. Table 17.4
Figure 17.9
4-to-1 Multiplexer
Select Inputs
Output
S1
S0
Z
0
0
I0
0
1
I1
1
0
I2
1
1
I3
Table 17.4
Function table of 1-to-4 Multiplexer
When the Select input are set to 00, the first AND gate at the top is enabled allowing
the logic high or low applied at input I0 to be routed through the OR gate to the output Z.
Similarly, when the Select input is set to 10 the third gate is enabled allowing the logic value
applied at the input I2 to be routed through the OR gate to the output Z.
167
img
CS302 - Digital Logic & Design
1. Dual 4-Input Multiplexer
Commercial available 4-input Multiplexer is the 74XX153 IC which has two 4-input
multiplexers. The two select inputs of the two 4-input multiplexers are common, however each
multiplexer has a separate enable input which allows the two multiplexers to be separately
controlled. The circuit diagram of the dual 4-input multiplexers is shown. Figure 17.10
A
B
1G
1C0
1C1
1Y
1C2
1C3
2G
2C0
2C1
2Y
2C2
2C3
Figure 17.10 Dual, 4-input Multiplexer
Both the 4-input Multiplexers have active-high inputs and outputs. The first Multiplexer
has the inputs 1C0, 1C1, 1C2 and 1C3 and the output 1Y. The multiplexer has an active-low
enable signal defined by 1G. The select inputs are defined by A and B which are both active-
high. Two extra NOT gates are connected at the select inputs to reduce the unit load from 5
each to one. Similar to the 4-input Multiplexer discussed earlier, the select input lines enable
one of the four AND gates and allow the corresponding input logic value to be routed to the
output through the OR gate. The second 4-input Multiplexer is identical it has active-high
inputs defined by 2C0, 2C1, 2C2 and 2C3 and an active-high output defined by 2Y. The
multiplexer has an independent active-low enable signal that enables/disables the four AND
gates. The select inputs A and B controlling the first multiplexer also control the second
multiplexer.
168