ZeePedia
Primer on Fiber Optic Data Communications
img
Page 17 of 97
Chapter 6 - Discussion centers on fiber optic products that can be used to serve serial data
communications.
Chapter 7 - Standards that cover the use of fiber optic data links within premises networks are
enumerated. Organization from which they can be ordered, in full, are provided.
Chapter 8 - A glossary that covers the subject of fiber optic data communications. It provides
terminology specifically covered within this book. However, it goes further and provides terminology
that may not be used here but may be encountered within a broader view of the interest area or within
communications in general.
CHAPTER 2
THE FIBER OPTIC DATA COMMUNICATIONS LINK FOR THE
PREMISES ENVIRONMENT
2.1 The Fiber Optic Data Communications Link, End-to-End
In this chapter we consider the simple fiber optic data link for the premises environment. This is the
basic building block for a fiber optic based network. A model of this simple link is shown in Figure 2-1.
Figure 2-1: Model of "simple" fiber optic data link
The illustration indicates the Source-User pair, Transmitter and Receiver. It also clearly shows the fiber
optic cable constituting the Transmission Medium as well as the connectors that provide the interface of
the Transmitter to the Transmission Medium and the Transmission Medium to the Receiver.
All of these are components of the simple fiber optic data link. Each will be discussed. Consideration
will be in the following order: fiber optic cable, Transmitter, Receiver and connectors. We will conclude
by taking up the question of how to analyze the performance of the simple fiber optic data link.
2.2 Fiber Optic Cable
We begin by asking Just what is a fiber optic cable? A fiber optic cable is a cylindrical pipe. It may be
made out of glass or plastic or a combination of glass and plastic. It is fabricated in such a way that this
pipe can guide light from one end of it to the other.
The idea of having light guided through bent glass is not new or high tech. The author was once
img
Page 18 of 97
informed that Leonardo DaVinci actually mentioned such a means for guiding light in one of his
notebooks. However, he has not been able to verify this assertion. What is known for certain is that total
internal reflection of light in a beam of water - essentially guided light - was demonstrated by the
physicist John Tyndall [1820-1893] in either 1854 or 1870 - depending upon which reference you
consult. Tyndall showed that light could be bent around a corner while it traveled through a jet of
pouring water.
Using light for communications came after this. Alexander Graham Bell [1847-1922] invented the
photo-phone around 1880. Bell demonstrated that a membrane in response to sound could modulate an
optical signal, light. But, this was a free space transmission system. The light was not guided.
Guided optical communications had to wait for the 20th century. The first patent on guided optical
communications over glass was obtained by AT &T in 1934. However, at that time there were really no
materials to fabricate a glass (or other type of transparent material) fiber optic cable with sufficiently
low attenuation to make guided optical communications practical. This had to wait for about thirty
years.
During the 1960's researchers working at a number of different academic, industrial and government
laboratories obtained a much better understanding of the loss mechanisms in glass fiber optic cable.
Between 1968 and 1970 the attenuation of glass fiber optic cable dropped from over 1000 dB/km to less
than 20 dB/km. Corning patented its fabrication process for the cable. The continued decrease in
attenuation through the 1970's allowed practical guided light communications using glass fiber optic
cable to take off. In the late 1980's and 1990's this momentum increased with the even lower cost plastic
fiber optic cable and Plastic Clad Silica (PCS).
Basically, a fiber optic cable is composed of two concentric layers termed the core and the cladding.
These are shown on the right side of Figure 2-2. The core and cladding have different indices of
refraction with the core having n1 and the cladding n2. Light is piped through the core. A fiber optic
cable has an additional coating around the cladding called the jacket. Core, cladding and jacket are all
shown in the three dimensional view on the left side of Figure 2-2. The jacket usually consists of one or
more layers of polymer. Its role is to protect the core and cladding from shocks that might affect their
optical or physical properties. It acts as a shock absorber. The jacket also provides protection from
abrasions, solvents and other contaminants. The jacket does not have any optical properties that might
affect the propagation of light within the fiber optic cable.
The illustration on the left side of Figure 2-2 is somewhat simplistic. In actuality, there may be a
strength member added to the fiber optic cable so that it can be pulled during installation.
Figure 2-2: Fiber Optic Cable, 3 dimensional view and basic cross section
Page 19 of 97
This would be added just inside the jacket. There may be a buffer between the strength member and the
cladding. This protects the core and cladding from damage and allows the fiber optic cable to be bundled
with other fiber optic cables. Neither of these is shown.
How is light guided down the fiber optic cable in the core? This occurs because the core and cladding
have different indices of refraction with the index of the core, n1, always being greater than the index of
the cladding, n2. Figure 2-3 shows how this is employed to effect the propagation of light down the fiber
optic cable and confine it to the core.
As illustrated a light ray is injected into the fiber optic cable on the right. If the light ray is injected and
strikes the core-to-cladding interface at an angle greater than an entity called the critical angle then it is
reflected back into the core. Since the angle of incidence is always equal to the angle of reflection the
reflected light will again be reflected. The light ray will then continue this bouncing path down the
length of the fiber optic cable. If the light ray strikes the core-to-cladding interface at an angle less than
the critical angle then it passes into the cladding where it is attenuated very rapidly with propagation
distance.
Light can be guided down the fiber optic cable if it enters at less than the critical angle. This angle is
fixed by the indices of refraction of the core and cladding and is given by the formula:
Θc = arc cosine (n2 /n1).
The critical angle is measured from the cylindrical axis of the core. By way of example, if n1 = 1.446
and n2= 1.430 then a quick computation will show that the critical angle is 8.53 degrees, a fairly small
angle.
Of course, it must be noted that a light ray enters the core from the air outside, to the left of Figure 2-3.
The refractive index of the air must be taken into account in order to assure that a light ray in the core
will be at an angle less than the critical angle. This can be done fairly simply. The following basic rule
then applies. Suppose a light ray enters the core from the air at an angle less than an entity called the
external acceptance angle - Θext It will be guided down the core. Here
Θext = arc sin [(n1/ n0) sin (Θc)]
with n0 being the index of refraction of air. This angle is, likewise, measured from the cylindrical axis of
the core. In the example above a computation shows it to be 12.4 degrees - again a fairly small angle.
img
Page 20 of 97
Figure 2-3: Propagation of a light ray down a fiber optic cable
Fiber optic data link performance is a subject that will be discussed in full at the end of this chapter.
However, let's jump the gun just a little. In considering the performance of a fiber optic data link the
network architect is interested in the effect that the fiber optic cable has on overall link performance.
Consideration of performance comes to answering three questions:
1) How much light can be coupled into the core through the external acceptance angle?
2) How much attenuation will a light ray experience in propagating down the core?
3) How much time dispersion will light rays representing the same input pulse experience in propagating
down the core?
The more light that can be coupled into the core the more light will reach the Receiver and the lower the
BER. The lower the attenuation in propagating down the core the more light reaches the Receiver and
the lower the BER. The less time dispersion realized in propagating down the core the faster the
signaling rate and the higher the end-to-end data rate from Source-to-User.
The answers to these questions depend upon many factors. The major factors are the size of the fiber, the
composition of the fiber and the mode of propagation.
When it comes to size, fiber optic cables have exceedingly small diameters. Figure 2-4 illustrates the
cross sections of the core and cladding diameters of four commonly used fiber optic cables. The
diameter sizes shown are in microns, 10-6 m. To get some feeling for how small these sizes actually are,
understand that a human hair has a diameter of 100 microns. Fiber optic cable sizes are usually
expressed by first giving the core size followed by the cladding size. Consequently, 50/125 indicates a
core diameter of 50 microns and a cladding diameter of 125 microns; 100/140 indicates a core diameter
of 100 microns and a cladding diameter of 140 microns. The larger the core the more light can be
coupled into it from external acceptance angle cone. However, larger diameter cores may actually allow
too much light in and too much light may cause Receiver saturation problems. The left most cable
shown in Figure 2-4, the 125/8 cable, is often found when a fiber optic data link operates with single-
mode propagation. The cable that is second from the right in Figure 2-4, the 62.5/125 cable, is often
found in a fiber optic data link that operates with multi-mode propagation.
img
Page 21 of 97
Figure 2-4: Typical core and cladding diameters -Sizes are in microns
When it comes to composition or material makeup fiber optic cables are of three types: glass, plastic and
Plastic Clad Silica (PCS). These three candidate types differ with respect to attenuation and cost. We
will describe these in detail. Attenuation and cost will first be mentioned only qualitatively. Later,
toward the end of this sub-chapter the candidates will be compared quantitatively.
By the way, attenuation is principally caused by two physical effects, absorption and scattering.
Absorption removes signal energy in the interaction between the propagating light (photons) and
molecules in the core. Scattering redirects light out of the core to the cladding. When attenuation for a
fiber optic cable is dealt with quantitatively it is referenced for operation at a particular optical
wavelength, a window, where it is minimized.
Glass fiber optic cable has the lowest attenuation and comes at the highest cost. A pure glass fiber optic
cable has a glass core and a glass cladding. This candidate has, by far, the most wide spread use. It has
been the most popular with link installers and it is the candidate with which installers have the most
experience. The glass employed in a fiber optic cable is ultra pure, ultra transparent, silicon dioxide or
fused quartz. One reference put this in perspective by noting that "if seawater were as clear as this type
of fiber optic cable then you would be able to see to the bottom of the deepest trench in the Pacific
Ocean." During the glass fiber optic cable fabrication process impurities are purposely added to the pure
glass so as to obtain the desired indices of refraction needed to guide light. Germanium or phosphorous
are added to increase the index of refraction. Boron or fluorine is added to decrease the index of
refraction. Other impurities may somehow remain in the glass cable after fabrication. These residual
impurities may increase the attenuation by either scattering or absorbing light.
Plastic fiber optic cable has the highest attenuation, but comes at the lowest cost. Plastic fiber optic cable
has a plastic core and plastic cladding. This fiber optic cable is quite thick. Typical dimensions are
480/500, 735/750 and 980/1000. The core generally consists of PMMA (polymethylmethacrylate)
coated with a fluropolymer. Plastic fiber optic cable was pioneered in Japan principally for use in the
automotive industry. It is just beginning to gain attention in the premises data communications market in
the United States. The increased interest is due to two reasons. First, the higher attenuation relative to
glass may not be a serious obstacle with the short cable runs often required in premise networks.
Secondly, the cost advantage sparks interest when network architects are faced with budget decisions.
Plastic fiber optic cable does have a problem with flammability. Because of this, it may not be
appropriate for certain environments and care has to be given when it is run through a plenum.
Otherwise, plastic fiber is considered extremely rugged with a tight bend radius and the ability to
Page 22 of 97
withstand abuse.
Plastic Clad Silica (PCS) fiber optic cable has an attenuation that lies between glass and plastic and a
cost that lies between their cost as well. Plastic Clad Silica (PCS) fiber optic cable has a glass core
which is often vitreous silica while the cladding is plastic - usually a silicone elastomer with a lower
refractive index. In 1984 the IEC standardized PCS fiber optic cable to have the following dimensions:
core 200 microns, silicone elastomer cladding 380 microns, jacket 600 microns. PCS fabricated with a
silicone elastomer cladding suffers from three major defects. It has considerable plasticity. This makes
connector application difficult. Adhesive bonding is not possible and it is practically insoluble in organic
solvents. All of this makes this type of fiber optic cable not particularly popular with link installers.
However, there have been some improvements in it in recent years.
When it comes to mode of propagation fiber optic cable can be one of two types, multi-mode or single-
mode. These provide different performance with respect to both attenuation and time dispersion. The
single-mode fiber optic cable provides the better performance at, of course, a higher cost.
In order to understand the difference in these types an explanation must be given of what is meant by
mode of propagation.
Light has a dual nature and can be viewed as either a wave phenomenon or a particle phenomenon
(photons). For the present purposes consider it as a wave. When this wave is guided down a fiber optic
cable it exhibits certain modes. These are variations in the intensity of the light, both over the cable cross
section and down the cable length. These modes are actually numbered from lowest to highest. In a very
simple sense each of these modes can be thought of as a ray of light. Although, it should be noted that
the term ray of light is a hold over from classical physics and does not really describe the true nature of
light.
In any case, view the modes as rays of light. For a given fiber optic cable the number of modes that exist
depend upon the dimensions of the cable and the variation of the indices of refraction of both core and
cladding across the cross section. There are three principal possibilities. These are illustrated in Figure
2-5.
Consider the top illustration in Figure 2-5. This diagram corresponds to multi-mode propagation with a
refractive index profile that is called step index. As can be seen the diameter of the core is fairly large
relative to the cladding. There is also a sharp discontinuity in the index of refraction as you go from core
to cladding. As a result, when light enters the fiber optic cable on the right it propagates down toward
the left in multiple rays or multiple modes. This yields the designation multi-mode. As indicated the
lowest order mode travels straight down the center. It travels along the cylindrical axis of the core. The
higher modes represented by rays, bounce back and forth, going down the cable to the left. The higher
the mode the more bounces per unit distance down to the left.
Over to the left of this top illustration are shown a candidate input pulse and the resulting output pulse.
Note that the output pulse is significantly attenuated relative to the input pulse. It also suffers significant
time dispersion. The reasons for this are as follows. The higher order modes, the bouncing rays, tend to
leak into the cladding as they propagate down the fiber optic cable. They lose some of their energy into
heat. This results in an attenuated output signal. The input pulse is split among the different rays that
travel down the fiber optic cable. The bouncing rays and the lowest order mode, traveling down the
center axis, are all traversing paths of different lengths from input to output. Consequently, they do not
all reach the right end of the fiber optic cable at the same time. When the output pulse is constructed
from these separate ray components the result is time dispersion.
img
Page 23 of 97
Figure 2-5: Types of mode propagation in fiber optic cable (Courtesy of AMP Incorporated)
Fiber optic cable that exhibits multi-mode propagation with a step index profile is thereby characterized
as having higher attenuation and more time dispersion than the other propagation candidates have.
However, it is also the least costly and in the premises environment the most widely used. It is especially
attractive for link lengths up to 5 km. Usually, it has a core diameter that ranges from 100 microns to
970 microns. It can be fabricated either from glass, plastic or PCS.
Consider the middle illustration in Figure 2-5. This diagram corresponds to single-mode propagation
with a refractive index profile that is called step index. As can be seen the diameter of the core is fairly
small relative to the cladding. Typically, the cladding is ten times thicker than the core. Because of this
when light enters the fiber optic cable on the right it propagates down toward the left in just a single ray,
a single-mode, and the lowest order mode. In extremely simple terms this lowest order mode is confined
to a thin cylinder around the axis of the core. (In actuality it is a little more complex). The higher order
modes are absent. Consequently, there is no energy lost to heat by having these modes leak into the
cladding. They simply are not present. All energy is confined to this single, lowest order, mode. Since
the higher order mode energy is not lost, attenuation is not significant. Also, since the input signal is
confined to a single ray path, that of the lowest order mode, there is little time dispersion, only that due
to propagation through the non-zero diameter, single mode cylinder.
Single mode propagation exists only above a certain specific wavelength called the cutoff wavelength.
To the left of this middle illustration is shown a candidate input pulse and the resulting output pulse.
Comparing the output pulse and the input pulse note that there is little attenuation and time dispersion.
Fiber optic cable that exhibits single-mode propagation is thereby characterized as having lower
Page 24 of 97
attenuation and less time dispersion than the other propagation candidates have. Less time dispersion of
course means higher bandwidth and this is in the 50 to 100 GHz/ km range. However, single mode fiber
optic cable is also the most costly in the premises environment. For this reason, it has been used more
with Wide Area Networks than with premises data communications. It is attractive more for link lengths
go all the way up to 100 km. Nonetheless, single-mode fiber optic cable has been getting increased
attention as Local Area Networks have been extended to greater distances over corporate campuses. The
core diameter for this type of fiber optic cable is exceedingly small ranging from 5 microns to 10
microns. The standard cladding diameter is 125 microns.
Single-mode fiber optic cable is fabricated from glass. Because of the thickness of the core, plastic
cannot be used to fabricate single-mode fiber optic cable. The author is unaware of PCS being used to
fabricate it.
It should be noted that not all single-mode fibers use a step index profile. Some use more complex
profiles to optimize performance at a particular wavelength.
Consider the bottom illustration in Figure 2-5. This corresponds to multi-mode propagation with a
refractive index profile that is called graded index. Here the variation of the index of refraction is
gradual as it extends out from the axis of the core through the core to the cladding. There is no sharp
discontinuity in the indices of refraction between core and cladding. The core here is much larger than in
the single-mode step index case discussed above. Multi-mode propagation exists with a graded index.
However, as illustrated the paths of the higher order modes are somewhat confined. They appear to
follow a series of ellipses. Because the higher mode paths are confined the attenuation through them due
to leakage is more limited than with a step index. The time dispersion is more limited than with a step
index, therefore, attenuation and time dispersion are present, just limited.
To the left of this bottom illustration is shown a candidate input pulse and the resulting output pulse.
When comparing the output pulse and the input pulse, note that there is some attenuation and time
dispersion, but not nearly as great as with multi-mode step index fiber optic cable.
Fiber optic cable that exhibits multi-mode propagation with a graded index profile is thereby
characterized as having attenuation and time dispersion properties somewhere between the other two
candidates. Likewise its cost is somewhere between the other two candidates. Popular graded index fiber
optic cables have core diameters of 50, 62.5 and 85 microns. They have a cladding diameter of 125
microns - the same as single-mode fiber optic cables. This type of fiber optic cable is extremely popular
in premise data communications applications. In particular, the 62.5/125 fiber optic cable is the most
popular and most widely used in these applications.
Glass is generally used to fabricate multi-mode graded index fiber optic cable. However, there has been
some work at fabricating it with plastic.
The illustration Figure 2-6 provides a three dimensional view of multi-mode and single-mode
propagation down a fiber optic cable. Table 2-1 provides the attenuation and bandwidth characteristics
of the different fiber optic cable candidates. This table is far from being all inclusive, however, the
common types are represented.
img
Page 25 of 97
Figure 2-6: Three dimensional view, optical power in multi-mode and single-mode fibers
Index of Refraction
Size
Atten.
Bandwidth
λ
Mode
Material
Profile
(microns)
dB/km
MHz/km
microns
Multi-
Glass
Step
800
62.5/125
5.0
6
mode
Multi-
Glass
Step
850
62.5/125
4.0
6
mode
Multi-
Glass
Graded
850
62.5/125
3.3
200
mode
Multi-
Glass
Graded
850
50/125
2.7
600
mode
Multi-
Glass
Graded
1300
62.5/125
0.9
800
mode
Multi-
Glass
Graded
1300
50/125
0.7
1500
mode
Multi-
Glass
Graded
850
85/125
2.8
200
mode
Multi-
Glass
Graded
1300
85/125
0.7
400
mode
Multi-
Glass
Graded
1550
85/125
0.4
500
mode
Multi-
Glass
Graded
850
100/140
3.5
300
mode
Multi-
Glass
Graded
1300
100/140
1.5
500
mode
Multi-
Glass
Graded
1550
100/140
0.9
500
mode
Multi-
Plastic
Step
650
485/500
240
5 @ 680
mode
Multi-
Plastic
Step
650
735/750
230
5 @ 680
mode
img
Page 26 of 97
Multi-
Plastic
Step
650
980/1000
220
5 @ 680
mode
Multi-
PCS
Step
790
200/350
10
20
mode
Single-
Glass
Step
650
3.7/80 or 125
10
600
mode
Single-
Glass
Step
850
5/80 or 125
2.3
1000
mode
Single-
Glass
Step
1300
9.3/125
0.5
*
mode
Single-
Glass
Step
1550
8.1/125
0.2
*
mode
* Too high to measure accurately. Effectively infinite.
Table 2-1: Attenuation and Bandwidth characteristics of different fiber optic cable candidates
Figure 2-7 illustrates the variation of attenuation with wavelength taken over an ensemble of fiber optic
cable material types. The three principal windows of operation, propagation through a cable, are
indicated. These correspond to wavelength regions where attenuation is low and matched to the ability
of a Transmitter to generate light efficiently and a Receiver to carry out detection. The 'OH' symbols
indicate that at these particular wavelengths the presence of Hydroxyl radicals in the cable material
cause a bump up in attenuation. These radicals result from the presence of water. They enter the fiber
optic cable material through either a chemical reaction in the manufacturing process or as humidity in
the environment. The illustration Figure 2-8 shows the variation of attenuation with wavelength for,
standard, single-mode fiber optic cable.
Figure 2-7: Attenuation vs. Wavelength
img
Page 27 of 97
Figure 2-8: Attenuation spectrum of standard single-mode fiber
2.3 Transmitter
The Transmitter component of Figure 2-1 serves two functions. First, it must be a source of the light
coupled into the fiber optic cable. Secondly, it must modulate this light so as to represent the binary data
that it is receiving from the Source. With the first of these functions it is merely a light emitter or a
source of light. With the second of these functions it is a valve, generally operating by varying the
intensity of the light that it is emitting and coupling into the fiber.
Within the context of interest in this book the Source provides the data to the Transmitter as some digital
electrical signal. The Transmitter can then be thought of as Electro-Optical (EO) transducer.
First some history. At the dawn of fiber optic data communications twenty-five years ago, there was no
such thing as a commercially available Transmitter. The network architect putting together a fiber optic
data link had to design the Transmitter himself. Everything was customized.
The Transmitter was typically designed using discrete electrical and Electro-optical devices. This very
quickly gave way to designs based upon hybrid modules containing integrated circuits, discrete
components (resistors and capacitors) and optical source diodes (light emitting diodes-LED's or laser
diodes). The modulation function was generally performed using separate integrated circuits and
everything was placed on the same printed circuit board.
By the 1980's higher and higher data transmission speeds were becoming of interest to the data link
architect. The design of the Transmitter while still generally customized became more complex to
accommodate these higher speeds. A greater part of the Transmitter was implemented using VLSI
circuits and attention was given to minimizing the number of board interconnects. Intense research
efforts were undertaken to integrate the optical source diode and the transistor level circuits needed for
modulation on a common integrated circuit substrate, without compromising performance. At present,
the Transmitter continues to be primarily designed as a hybrid unit, containing both discrete components
and integrated circuits in a single package.
By the late 1980's commercially available Transmitter's became available. As a result, the link design
could be kept separate from the Transmitter design. The link architect was relieved from the need to do
high-speed circuit design or to design proper bias circuits for optical diodes. The Transmitter could
generally be looked at as a black box selected to satisfy certain requirements relative to power,
wavelength, data rate, bandwidth, etc. This is where the situation remains today.
Page 28 of 97
To do a proper selection of a commercially available Transmitter you have to be able to know what you
need in order to match your other link requirements. You have to be able to understand the differences
between Transmitter candidates. There are many. We can not begin to approach this in total.
However, we can look at this in a limited way. Transmitter candidates can be compared on the basis of
two characteristics. Transmitter candidates can be compared on the basis of the optical source
component employed and the method of modulation.
Let us deal with the optical source component of the Transmitter first. This has to meet a number of
requirements. These are delineated below:
First, its physical dimensions must be compatible with the size of the fiber optic cable being used. This
means it must emit light in a cone with cross sectional diameter 8-100 microns, or it can not be coupled
into the fiber optic cable.
Secondly, the optical source must be able to generate enough optical power so that the desired BER can
be met.
Thirdly, there should be high efficiency in coupling the light generated by the optical source into the
fiber optic cable.
Fourthly, the optical source should have sufficient linearity to prevent the generation of harmonics and
intermodulation distortion. If such interference is generated it is extremely difficult to remove. This
would cancel the interference resistance benefits of the fiber optic cable.
Fifthly, the optical source must be easily modulated with an electrical signal and must be capable of
high-speed modulation-or else the bandwidth benefits of the fiber optic cable are lost.
Finally, there are the usual requirements of small size, low weight, low cost and high reliability. The
light emitting junction diode stands out as matching these requirements. It can be modulated at the
needed speeds. The proper selection of semiconductor materials and processing techniques results in
high optical power and efficient coupling of it to the fiber optic cable. These optical sources are easily
manufactured using standard integrated circuit processing. This leads to low cost and high reliability.
There are two types of light emitting junction diodes that can be used as the optical source of the
Transmitter. These are the light emitting diode (LED) and the laser diode (LD). This is not the place to
discuss the physics of their operation. LED's are simpler and generate incoherent, lower power, light.
LD's are more complex and generate coherent, higher power light. Figure 2-9 illustrates the optical
power output, P, from each of these devices as a function of the electrical current input, I, from the
modulation circuitry. As the figure indicates the LED has a relatively linear P-I characteristic while the
LD has a strong non-linearity or threshold effect. The LD may also be prone to kinks where the power
actually decreases with increasing bandwidth.
With minor exceptions, LDs have advantages over LED's in the following ways.
hey can be modulated at very high speeds.
T
They produce greater optical power.
They have higher coupling efficiency to the fiber optic cable.
img
Page 29 of 97
LED's have advantages over LD's because they have
igher reliability
h
better linearity
lower cost
Figure 2-9: LED and laser diodes: P-I characteristics
Both the LED and LD generate an optical beam with such dimensions that it can be coupled into a fiber
optic cable. However, the LD produces an output beam with much less spatial width than an LED. This
gives it greater coupling efficiency. Each can be modulated with a digital electrical signal. For very
high-speed data rates the link architect is generally driven to a Transmitter having a LD. When cost is a
major issue the link architect is generally driven to a Transmitter having an LED.
A key difference in the optical output of an LED and a LD is the wavelength spread over which the
optical power is distributed. The spectral width, σλ, is the 3 dB optical power width (measured in nm or
microns). The spectral width impacts the effective transmitted signal bandwidth. A larger spectral width
takes up a larger portion of the fiber optic cable link bandwidth. Figure 2-10 illustrates the spectral width
of the two devices. The optical power generated by each device is the area under the curve. The spectral
width is the half-power spread. A LD will always have a smaller spectral width than a LED. The specific
value of the spectral width depends on the details of the diode structure and the semiconductor material.
However, typical values for a LED are around 40 nm for operation at 850 nm and 80 nm at 1310 nm.
Typical values for a LD are 1 nm for operation at 850 nm and 3 nm at 1310 nm.
Page 30 of 97
Figure 2-10: LED and laser spectral widths
Once a Transmitter is selected on the basis of being either an LED or a LD additional concerns should
be considered in reviewing the specifications of the candidates. These concerns include packaging,
environmental sensitivity of device characteristics, heat sinking and reliability.
With either an LED or LD the Transmitter package must have a transparent window to transmit light
into the fiber optic cable. It may be packaged with either a fiber optic cable pigtail or with a transparent
plastic or glass window. Some vendors supply the Transmitter with a package having a small
hemispherical lens to help focus the light into the fiber optic cable.
Packaging must also address the thermal coupling for the LED or LD. A complete Transmitter module
may consume over 1 W- significant power consumption in a small package. Attention has to be paid to
the heat sinking capabilities. Plastic packages can be used for lower speed and lower reliability
applications. However, for high speed and high reliability look for the Transmitter to be in a metal
package with built-in fins for heat sinking.
Let us now deal with the modulator component of the Transmitter.
There are several different schemes for carrying out the modulation function. These are respectively:
Intensity Modulation, Frequency Shift Keying, Phase Shift Keying and Polarization Modulation. Within
the context of a premise fiber optic data link the only one really employed is Intensity Modulation. This
is the only one that will be described.
Intensity Modulation also is referred to as Amplitude Shift Keying (ASK) and On-Off Keying (OOK).
This is the simplest method for modulating the carrier generated by the optical source. The resulting
modulated optical carrier is given by:
Es(t) = Eo m(t) cos ( 2šfst )
Within the context of a premises fiber optic data link the modulating signal m (t), the Information,
assumes only the values of '0' and '1.' The parameter 'fs' is the optical carrier frequency. This is an
incoherent modulation scheme. This means that the carrier does not have to exhibit stability. The
demodulation function in the Receiver will just be looking for the presence or absence of energy during
a bit time interval.
Intensity Modulation is employed universally for premises fiber optic data links because it is well
matched to the operation of both LED's and LD's. The carrier that each of these sources produce is easy
to modulate with this technique. Passing current through them operates both of these devices. The
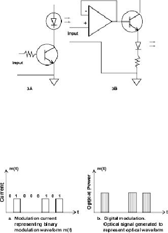
amount of power that they radiate (sometimes referred to as the radiance) is proportional to this current.
In this way the optical power takes the shape of the input current. If the input current is the waveform m
(t) representing the binary information stream then the resulting optical signal will look like bursts of
optical signal when m (t) represents a '1' and the absence of optical signal when m(t) represents a '0.' The
situation is illustrated in Figure 2-11 and Figure 2-12. The first of these figures shows the essential
img
Page 31 of 97
Transmitter circuitry for modulating either an LED or LD with Intensity Modulation. The second of
these figures illustrates the input current representing the Information and the resulting optical signal
generated and provided to the fiber optic cable.
Figure 2-11: Two methods for modulating LEDs or LDs
Figure 2-12: a. Input current representing modulation waveform, m(t); b. Output optical signal representing m(t). Vertical
cross hatches indicate optical carrier
It must be noted that one reason for the popularity of Intensity Modulation is its suitability for operation
with LED's. An LED can only produce incoherent optical power. Since Intensity Modulation does not
require coherence it can be used with an LED.
2.4 Receiver
The Receiver component of Figure 2-1 serves two functions. First, it must sense or detect the light
coupled out of the fiber optic cable then convert the light into an electrical signal. Secondly, it must
demodulate this light to determine the identity of the binary data that it represents. In total, it must detect
light and then measure the relevant Information bearing light wave parameters in the premises fiber
optic data link context intensity in order to retrieve the Source's binary data.
Within the realm of interest in this book the fiber optic cable provides the data to the Receiver as an
optical signal. The Receiver then translates it to its best estimates of the binary data. It then provides this
data to the User in the form of an electrical signal. The Receiver can then be thought of as an Electro-
Optical (EO) transducer.
img
Page 32 of 97
A Receiver is generally designed with a Transmitter. Both are modules within the same package. The
very heart of the Receiver is the means for sensing the light output of the fiber optic cable. Light is
detected and then converted to an electrical signal. The demodulation decision process is carried out on
the resulting electrical signal. The light detection is carried out by a photodiode. This senses light and
converts it into an electrical current. However, the optical signal from the fiber optic cable and the
resulting electrical current will have small amplitudes. Consequently, the photodiode circuitry must be
followed by one or more amplification stages. There may even be filters and equalizers to shape and
improve the Information bearing electrical signal.
All of this active circuitry in the Receiver presents a source of noise. This is a source of noise whose
origin is not the clean fiber optic cable. Yet, this noise can affect the demodulation process.
The very heart of the Receiver is illustrated in Figure 2-13. This shows a photodiode, bias resistor and a
low noise pre-amp. The output of the pre-amp is an electrical waveform version of the original
Information out the source. To the right of this pre-amp would be additional amplification, filters and
equalizers. All of these components may be on a single integrated circuit, hybrid or even a printed
circuit board.
Figure 2-13: Example of Receiver block diagram - first stage
The complete Receiver may incorporate a number of other functions. If the data link is supporting
synchronous communications this will include clock recovery. Other functions may included decoding
(e.g. 4B/5B encoded information), error detection and recovery.
The complete Receiver must have high detectability, high bandwidth and low noise. It must have high
detectability so that it can detect low level optical signals coming out of the fiber optic cable. The higher
the sensitivity, the more attenuated signals it can detect. It must have high bandwidth or fast rise time so
that it can respond fast enough and demodulate, high speed, digital data. It must have low noise so that it
does not significantly impact the BER of the link and counter the interference resistance of the fiber
optic cable Transmission Medium.
There are two types of photodiode structures; Positive Intrinsic Negative (PIN) and the Avalanche Photo
Diode (APD). In most premises applications the PIN is the preferred element in the Receiver. This is
mainly due to fact that it can be operated from a standard power supply, typically between 5 and 15 V.
img
Page 33 of 97
APD devices have much better sensitivity. In fact it has 5 to 10 dB more sensitivity. They also have
twice the bandwidth. However, they cannot be used on a 5V printed circuit board. They also require a
stable power supply. This makes cost higher. APD devices are usually found in long haul
communications links.
The demodulation performance of the Receiver is characterized by the BER that it delivers to the User.
This is determined by the modulation scheme - in premise applications - Intensity modulation, the
received optical signal power, the noise in the Receiver and the processing bandwidth.
Considering the Receiver performance is generally characterized by a parameter called the sensitivity,
this is usually a curve indicating the minimum optical power that the Receiver can detect versus the data
rate, in order to achieve a particular BER. The sensitivity curve varies from Receiver to Receiver. It
subsumes within it the signal-to-noise ratio parameter that generally drives all communications link
performance. The sensitivity depends upon the type of photodiode employed and the wavelength of
operation. Typical examples of sensitivity curves are illustrated in Figure 2-14.
In examining the specification of any Receiver you need to look at the sensitivity parameter. The curve
designated Quantum Limit in Figure 2-14 is a reference. In a sense it represent optimum performance on
the part of the photodiode in the Receiver. That is, performance where there is 100% efficiency in
converting light from the fiber optic cable into an electric current for demodulation.
Figure 2-14: Receiver sensitivities for BER = 10-9, with different devices.
2.5 Connectors
The Connector is a mechanical device mounted on the end of a fiber optic cable, light source, Receiver
or housing. It allows it to be mated to a similar device. The Transmitter provides the Information bearing
light to the fiber optic cable through a connector. The Receiver gets the Information bearing light from
the fiber optic cable through a connector. The connector must direct light and collect light. It must also
Page 34 of 97
be easily attached and detached from equipment. This is a key point. The connector is disconnectable.
With this feature it is different than a splice which will be discussed in the next sub-chapter.
A connector marks a place in the premises fiber optic data link where signal power can be lost and the
BER can be affected. It marks a place in the premises fiber optic data link where reliability can be
affected by a mechanical connection.
There are many different connector types. The ones for glass fiber optic cable are briefly described
below and put in perspective. This is followed by discussion of connectors for plastic fiber optic cable.
However, it must be noted that the ST connector is the most widely used connector for premise data
communications
Connectors to be used with glass fiber optic cable are listed below in alphabetical order.
Biconic - One of the earliest connector types used in fiber optic data links. It has a tapered sleeve that is
fixed to the fiber optic cable. When this plug is inserted into its receptacle the tapered end is a means for
locating the fiber optic cable in the proper position. With this connector, caps fit over the ferrules, rest
against guided rings and screw onto the threaded sleeve to secure the connection. This connector is in
little use today.
D4 - It is very similar to the FC connector with its threaded coupling, keying and PC end finish. The
main difference is its 2.0mm diameter ferrule. Designed originally by the Nippon Electric Corp.
FC/PC - Used for single-mode fiber optic cable. It offers extremely precise positioning of the single-
mode fiber optic cable with respect to the Transmitter's optical source emitter and the Receiver's optical
detector. It features a position locatable notch and a threaded receptacle. Once installed the position is
maintained with absolute accuracy.
SC - Used primarily with single-mode fiber optic cables. It offers low cost, simplicity and durability. It
provides for accurate alignment via its ceramic ferrule. It is a push on-pull off connector with a locking
tab.
SMA - The predecessor of the ST connector. It features a threaded cap and housing. The use of this
connector has decreased markedly in recent years being replaced by ST and SC connectors.
ST - A keyed bayonet type similar to a BNC connector. It is used for both multi-mode and single-mode
fiber optic cables. Its use is wide spread. It has the ability both to be inserted into and removed from a
fiber optic cable both quickly and easily. Method of location is also easy. There are two versions ST and
ST-II. These are keyed and spring loaded. They are push-in and twist types.
Photographs of several of these connectors are provided in Figure 2-15.
img
Page 35 of 97
Figure 2-15: Common connectors for glass fiber optic cable (Courtesy of AMP Incorporated)
Plastic Fiber Optic Cable Connectors - Connectors that are exclusively used for plastic fiber optic cable
stress very low cost and easy application. Often used in applications with no polishing or epoxy. Figure
2-16 illustrates such a connector. Connectors for plastic fiber optic cable include both proprietary
designs and standard designs. Connectors used for glass fiber optic cable, such as ST or SMA are also
available for use with plastic fiber optic cable. As plastic fiber optic cable gains in popularity in the data
communications world there will be undoubtedly greater standardization.
Figure 2-16: Plastic fiber optic cable connector (Illustration courtesy of AMP Incorporated)
Page 36 of 97
2.6 Splicing
A splice is a device to connect one fiber optic cable to another permanently. It is the attribute of
permanence that distinguishes a splice from connectors. Nonetheless, some vendors offer splices that
can be disconnected that are not permanent so that they can be disconnected for repairs or
rearrangements. The terminology can get confusing.
Fiber optic cables may have to be spliced together for any of a number of reasons.
One reason is to realize a link of a particular length. The network installer may have in his inventory
several fiber optic cables but, none long enough to satisfy the required link length. This may easily arise
since cable manufacturers offer cables in limited lengths - usually 1 to 6 km. If a link of 10 km has to be
installed this can be done by splicing several together. The installer may then satisfy the distance
requirement and not have to buy a new fiber optic cable.
Splices may be required at building entrances, wiring closets, couplers and literally any intermediary
point between Transmitter and Receiver.
At first glance you may think that splicing two fiber optic cables together is like connecting two wires.
To the contrary, the requirements for a fiber-optic connection and a wire connection are very different.
Two copper connectors can be joined by solder or by connectors that have been crimped or soldered to
the wires. The purpose is to create an intimate contact between the mated halves in order to have a low
resistance path across a junction. On the other hand, connecting two fiber optic cables requires precise
alignment of the mated fiber cores or spots in a single-mode fiber optic cable. This is demanded so that
nearly all of the light is coupled from one fiber optic cable across a junction to the other fiber optic
cable. Actual contact between the fiber optic cables is not even mandatory. The need for precise
alignment creates a challenge to a designer of a splice.
There are two principal types of splices: fusion and mechanical.
Fusion splices - uses an electric arc to weld two fiber optic cables together. The splices offer
sophisticated, computer controlled alignment of fiber optic cables to achieve losses as low as 0.05 dB.
This comes at a high cost.
Mechanical-splices all share common elements. They are easily applied in the field, require little or no
tooling and offer losses of about 0.2 dB.
2.7 Analyzing Performance of a Link
You have a tentative design for a fiber optic data link of the type that is being dealt with in this chapter,
the type illustrated in Figure 2-1. You want to know whether this tentative design will satisfy your
performance requirements.
You characterize your performance requirements by BER. This generally depends upon the specific
Source-User application. This could be as high as 10-3 for applications like digitized voice or as low as
10-10 for scientific data. The tendency though has been to require lower and lower BERs.
The question then is will the tentative fiber optic link design provide the required BER? The answer to
img
Page 37 of 97
this question hinges on the sensitivity of the Receiver that you have chosen for your fiber optic data link
design. This indicates how much received optical power must appear at the Receiver in order to deliver
the required BER.
To determine whether your tentative fiber optic link design can meet the sensitivity you must analyze it.
You must determine how much power does reach the Receiver. This is done with a fiber optic data link
power budget.
A power budget for a particular example is presented in Table 2-2 below and is then discussed. This
example corresponds to the design of a fiber optic data link with the following attributes:
1.
Data Rate of 50 MBPS.
2.
BER of 10-9.
3.
Link length of 5 km (premises distances).
4.
Multi-mode, step index, glass fiber optic cable having dimensions 62.5/125.Transmitter uses LED
at 850 nm.
5. Receiver uses PIN and has sensitivity of -40 dBm at 50 MBPS.
6. Fiber optic cable has 1 splice.
LINK ELEMENT
VALUE
COMMENTS
Transmitter LED output power  3 dBm
Specified value by vendor
Source coupling loss
-5 dB
Accounts for reflections, area mismatch etc.
Transmitter to fiber optic cable
Transmitter to fiber optic cable with ST connector. Loss
-1 dB
connector loss
accounts for misalignment
Splice loss
-0.25 dB
Mechanical splice
Fiber Optic Cable Attenuation
-20 dB
Line 2 of Table 2-1 applied to 5 km
Fiber optic cable to receiver
Fiber optic cable to Receiver with ST connector. Loss
-1 dB
connector loss
Accounts for misalignment
Optical Power Delivered at
-24.25
Receiver
dB
Receiver Sensitivity
-40 dBm
Specified in link design. Consistent with Figure 2-14
LOSS MARGIN
15.75 dB
Table 2-2: Example Power Budget for a fiber optic data link
The entries in Table 2-2 are more or less self-explanatory. Clearly, the optical power at the Receiver is
greater than that required by the sensitivity of the PIN to give the required BER. What is important to
note is the entry termed Loss Margin? This specifies the amount by which the received optical power
exceeds the required sensitivity. In this example it is 15.75 dB. Good design practice requires it to be at
least 10 dB. Why? Because no matter how careful the power budget is put together, entries are always
forgotten, are too optimistic or vendor specifications are not accurate.
CHAPTER 3
EXPLOITING THE BANDWIDTH OF FIBER OPTIC CABLE-